SKF351164C轴承详细参数

发布时间:2026-05-30
圆锥滚子推力轴承, 双向
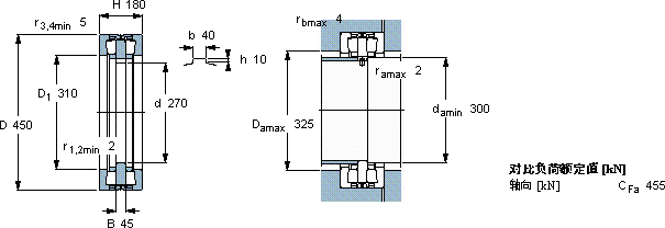
主要数据尺寸 基本负荷额定值 疲劳负荷限值 最小负荷系数 型号
动态 静态
d D H C C0 Pu
mm kN kN kg -
27045018016506000455120351164 C

SKF351164C圆锥滚子推力轴承供应商

八零动力专业销售351164C圆锥滚子推力轴承,库存SKF351164C大量现货,与SKF合作,咨询热线:022-58519723业务咨询
SKF351164C它的质量可靠,是众多机械设备制造商的首选配件轴承的耐用性出色,能够长时间保持良好的工作状态它的沟槽设计,完美匹配滚动体的运动轨迹 是您机械世界里的不败功臣,顺滑无声持久转动,八零动力SKF圆锥滚子推力轴承品种全,价格优,质量有保证!

用户关注最多的SKF轴承型号

SKF22248CC/W33 SKF5306E SKF6028-2Z SKF7005CE/HCP4A SKFCR84764 SKFCR99435 SKFFYC45FM SKFGE120ES-2RS SKFHA2320x3.1/2 SKFN226E SKFNNCF5015CV SKFPCM081010B SKFSDAF23064KAx11.7/16 SKFSIJ12E SKFSNP3096x18

351164C圆锥滚子推力轴承近似的SKF轴承型号

SKF351164C SKF351153 SKF351175C

用户关注最多的轴承狗热门型号

INA  RTUEY75 FAG  SD536-N-FZ-AF-L + 222SM160-TVPA DKF  7303AC/DB KOYO  22352RHAK+H2352 FAG  NJ330-E-M1 + HJ330E TORRINGTON  24088CACK30/W33 NACHI  54230 国产  6314-2Z INA  IR8X12X10-IS1 NTN  NJ324E STEYR  NU230 NACHI  53322U LYC  517/590/YA FAG  SNV140-L + 20216-K-TVP-C3 + H216X214 + FSV516X214 IKO  MAGF6

版权所有©2009-2015 轴承狗zcgou.com ICP备案:津ICP备14004550号-13