SKF350981C轴承详细参数

发布时间:2026-05-29
圆锥滚子推力轴承, 双向
主要数据尺寸 基本负荷额定值 疲劳负荷限值 最小负荷系数 型号
动态 静态
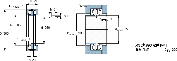
d D H C C0 Pu
mm kN kN kg -
26036092605260019328,0350981 C

SKF350981C圆锥滚子推力轴承供应商

八零动力专业销售350981C圆锥滚子推力轴承,库存SKF350981C大量现货,与SKF合作,咨询热线:022-58519723业务咨询
SKF350981C这轴承的精度控制令人佩服,为设备的精准运行提供了保障品质卓越的它,在各种工况下都能展现出优异的性能优秀的设计让这款轴承在运行时更加高效节能优秀的设计理念和精湛的制造工艺,成就了这款杰出的轴承没有轴承,现代机械将寸步难行,它在化工设备中的应用,展现了它的耐腐蚀性 ,八零动力SKF圆锥滚子推力轴承品种全,价格优,质量有保证!

用户关注最多的SKF轴承型号

SKF3210A-2ZTN9/MT33* SKF53214 SKF60/710 SKF638/4-2Z SKF71964ACD/P4A SKF7330B/DB SKFAOH240/560G SKFBS2B242989 SKFC3060M* SKFCR110X130X12HMSA10V SKFCR37390 SKFFY15TF SKFKRE16PPA SKFNNF5014ADB-2LSV SKFNU230ECM*

350981C圆锥滚子推力轴承近似的SKF轴承型号

SKF350981C SKF350980C SKF350982C

用户关注最多的轴承狗热门型号

国产  517/38.1ZSV RHP  6214-2RS NSK  NUP314 INA  G32X42X4 TIMKEN  T177S SKF  CR12900 SKF  CR19X30X7HMSA10V LYC  22220 C/C3W33 SKF  SYR2.7/16NH-118 SKF  6217/W64* SNR  6311N MRC  N417 SKF  AH2332/140G FAG  SNV240-L + 1322-K-M-C3 + H322 + FSV522 IKO  CR22UU

版权所有©2009-2015 轴承狗zcgou.com ICP备案:津ICP备14004550号-13