SKF350982C轴承详细参数

发布时间:2026-04-14
圆锥滚子推力轴承, 双向
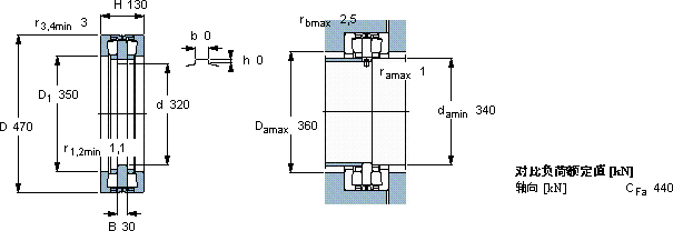
主要数据尺寸 基本负荷额定值 疲劳负荷限值 最小负荷系数 型号
动态 静态
d D H C C0 Pu
mm kN kN kg -
3204701301300570040580350982 C

SKF350982C圆锥滚子推力轴承供应商

八零动力专业销售350982C圆锥滚子推力轴承,库存SKF350982C大量现货,与SKF合作,咨询热线:022-58519723业务咨询
SKF350982C引领行业速度,我们的轴承始终稳如磐石它的抗磨损涂层,让它更加耐用 始终顺滑如初,它在包装机械中的应用,确保了设备的高效率 高精度的轴承,为设备的稳定运行提供了坚实保障您值得拥有,八零动力SKF圆锥滚子推力轴承品种全,价格优,质量有保证!

用户关注最多的SKF轴承型号

SKF23176CAK/W33+OH3176H* SKF240/800ECA/W33 SKF249/800CAK30/W33* SKF51132M SKF6011* SKF71921ACD/HCP4A SKFBC2B326061/HA1 SKFCR6247 SKFH3034 SKFNJ1064MA SKFNNU4960B/SPW33 SKFP1.11/16FM SKFQJ205 SKFQJ207 SKFYAR207-104-2F/AH

350982C圆锥滚子推力轴承近似的SKF轴承型号

SKF350982C SKF350981C SKF350998

用户关注最多的轴承狗热门型号

SKF  22328CC/W33 LYC  LM104949/JLM104910 FAG  SNV085-L + 2209-K-TVH-C3 + H309X107 + DH509X107 FAG  SNV180-L + 2317-K-M-C3 + H2317 + TCV617 FAG  SNV215-L + 21320-E1-K-TVPB + H320X310 + DH620X310 FAG  HCB7214-E-T-P4S 国产  511/500 NSK  53209U FAG  20312-K-TVP-C3 + H312 INA  ZGB160X180X150 NTN  6007N FAG  BND2236-H-W-Y-BL-S NTN  32968 IKO  CRBS18013V IKO  LWHT30...M

版权所有©2009-2015 轴承狗zcgou.com ICP备案:津ICP备14004550号-13