SKF2x7308BEGAM*轴承详细参数

发布时间:2026-05-29
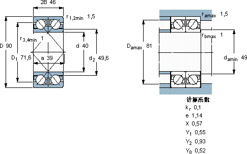
角接触球轴承, 单列,用于配对安装, 面对面配对
主要数据尺寸 基本负荷额定值 疲劳负荷限值 额定速度 体积 型号 轴承配对
动态 静态 参照速度 限制速度
d D 2B C C0 Pu * - SKF Explorer 轴承
mm kN kN r/min kg --
4090468065,52,758000100001,352 × 7308 BEGAM *DF

SKF2x7308BEGAM*角接触球轴承供应商

八零动力专业销售2x7308BEGAM*角接触球轴承,库存SKF2x7308BEGAM*大量现货,与SKF合作,咨询热线:022-58519723业务咨询
SKF2x7308BEGAM*承载未来其设计和制造工艺都达到了国际先进水平,是一款优质轴承它的表面硬化处理,延长了它的使用寿命 是机械世界的璀璨明星,性能优越的轴承,极大地提高了设备的工作效率和稳定性优秀的设计理念和精湛的制造工艺,成就了这款优秀的轴承,八零动力SKF角接触球轴承品种全,价格优,质量有保证!

用户关注最多的SKF轴承型号

SKF22324-2CS5K/VT143* SKF23184CAC/W33 SKF52212 SKF6004-2Z/VA208 SKF6208-2ZN SKFC31/500KM* SKFCR28X42X8HMSA10RG SKFCR31177 SKFCR79998 SKFGE60ES-2LS SKFN28/1060MB SKFNNCL4872CV SKFNUP2313ECML* SKFRNA4909RS SKFYAR203-010-2F/AH

2x7308BEGAM*角接触球轴承近似的SKF轴承型号

SKF2x7308BECBPH* SKF7308BEY SKF2x7308BEGBY SKF7308BEY SKF7308BECBM* SKF7308B/DF SKF7308BECBP* SKF7308BECBY SKF7308B/DT SKF2x7308BECBY SKF2x7308BEGAF SKF2x7308BEGAP*

用户关注最多的轴承狗热门型号

INA  SL181868-E NACHI  2316K TORRINGTON  23284CAC/W33 国产  6203-ZNR FAG  SD540-N-FZ-BF-L + 22240-B-K-MB FAG  SNV290-L + 20232-K-MB-C3 + H3032X508 + DHV532 SKF  7212C INA  RASEY30-JIS TIMKEN  190RN30 NSK  7919A5 SKF  SYNT90LW 国产  1313K 国产  7312ACM INA  PAP1412-P10 IKO  BR142216

版权所有©2009-2015 轴承狗zcgou.com ICP备案:津ICP备14004550号-13