SKF22238-2CS5/VT143*轴承详细参数

发布时间:2026-04-14
球面滚子轴承, 圆柱和圆锥孔, 圆柱型内孔, 两面密封件
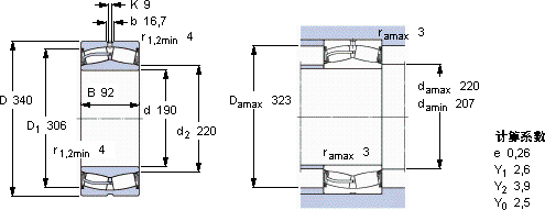
主要数据尺寸 基本负荷额定值 疲劳负荷限值 额定速度 体积 型号
动态 静态 参照速度 限制速度
d D B C C0 Pu * - SKF Explorer 轴承
mm kN kN r/min kg -
1903409212701700150-48036,522238-2CS5/VT143 *

SKF22238-2CS5/VT143*球面滚子轴承供应商

八零动力专业销售22238-2CS5/VT143*球面滚子轴承,库存SKF22238-2CS5/VT143*大量现货,与SKF合作,咨询热线:022-58519723业务咨询
SKF22238-2CS5/VT143*它在化工设备中的应用,展现了它的耐腐蚀性 它的抗氧化性能,延长了它的使用寿命 它的加工设备,代表了世界领先水平 它在农业机械中的应用,展现了它的耐用性 它的径向跳动控制,达到了行业顶尖水平 它虽小,却是工业革命的基石 ,八零动力SKF球面滚子轴承品种全,价格优,质量有保证!

用户关注最多的SKF轴承型号

SKF24076CC/W33* SKF249/750CAK30/W33 SKF510/710F SKFCR17341 SKFCR30X44X7HMSA10RG SKFCR80X100X7HMSA7P2R SKFCR81245 SKFNK26/20 SKFPCM252825B SKFPCM95100100B SKFRSTO10 SKFSNL3040 SKFT4EB240/VE174 SKFW032 SKFW6008-2Z

22238-2CS5/VT143*球面滚子轴承近似的SKF轴承型号

SKF22238CC/W33* SKF22238CCK/W33* SKF22238CCK/W33+AH2238G* SKF22238-2CS5/VT143* SKF22238-2CS5K/VT143* SKF22238CCK/W33+H3138* SKF22238-2CS5K/VT143* SKF22238CCK/W33

用户关注最多的轴承狗热门型号

INA  K35X42X30 NSK  NJ315EM SKF  1726211-2RS1 SKF  CR16X32X7HMS5RG SKF  6209/HR11QN TIMKEN  K80X88X25FV1 国产  23128K SKF  S7014ACD/HCP4A SKF  SYR2.1/2H KOYO  7334C/DT TORRINGTON  K28×33×27 TIMKEN  28980/28921D KOYO  NF330 SNFA  71900C IKO  CFE30-2B

版权所有©2009-2015 轴承狗zcgou.com ICP备案:津ICP备14004550号-13