SKF21317EK+AHX317*轴承详细参数

发布时间:2026-04-14
球面滚子轴承, 带退卸套的
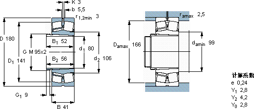
主要数据尺寸 基本负荷额定值 疲劳负荷限值 额定速度 体积 型号
动态 静态 参照速度 限制速度 轴承 +退卸套
d1 D B C C0 Pu
* - SKF Explorer 轴承
mm kN kN r/min kg -
801804132537539380053005,5521317 EK + AHX 317 *

SKF21317EK+AHX317*球面滚子轴承供应商

八零动力专业销售21317EK+AHX317*球面滚子轴承,库存SKF21317EK+AHX317*大量现货,与SKF合作,咨询热线:022-58519723业务咨询
SKF21317EK+AHX317*品质卓越的它,在各种工况下都能展现出优异的性能它的抗剪切性能,确保了它的结构稳定性 轴承的耐用性超乎想象,有效降低了设备的维护成本它的材质选择,体现了对耐用性的极致追求 它的精密测量技术,确保了每一件产品的品质 它的耐高温性能,让它在极端环境下依然稳定运行 ,八零动力SKF球面滚子轴承品种全,价格优,质量有保证!

用户关注最多的SKF轴承型号

SKF2214E-2RS1TN9 SKF22348CC/W33 SKF81108TN SKFBC4-8042/HA4 SKFBC4B326909/HA3 SKFC71916DB/P7 SKFCR11776 SKFCR41171 SKFFSYE3.15/16N-118 SKFNN3044K/SPW33 SKFPCM303430B SKFRLS10-2Z SKFSNL3092GF SKFSNP3052x9.1/2 SKFSYH7/8TF

21317EK+AHX317*球面滚子轴承近似的SKF轴承型号

SKF21317E* SKF21317EK* SKF21317EK+H317* SKF21317EK+AHX317* SKF21317EK* SKF21317EK+H317*

用户关注最多的轴承狗热门型号

LYC  NJ 305/C3 NTN  N1036 SKF  CR407503 TIMKEN  32022X/32022X INA  HFL0606-KF-R TIMKEN  685/672D/X3S-685 TIMKEN  190RN02 SKF  CR2200239 FLT  NUP2317 SNR  32316 SKF  CR140x170x12CRW1V SKF  SA6C IKO  TAM2428 IKO  CF24BUU IKO  LME254058N

版权所有©2009-2015 轴承狗zcgou.com ICP备案:津ICP备14004550号-13