SKF241/950ECAF/W33轴承详细参数

发布时间:2026-04-15
球面滚子轴承, 圆柱和圆锥孔, 圆柱型内孔, 无密封件
主要数据尺寸 基本负荷额定值 疲劳负荷限值 额定速度 体积 型号
动态 静态 参照速度 限制速度
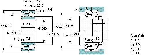
d D B C C0 Pu
mm kN kN r/min kg -
9501500545239005500030001302603535241/950 ECAF/W33

SKF241/950ECAF/W33球面滚子轴承供应商

八零动力专业销售241/950ECAF/W33球面滚子轴承,库存SKF241/950ECAF/W33大量现货,与SKF合作,咨询热线:022-58519723业务咨询
SKF241/950ECAF/W33质量无可挑剔的轴承,为设备的高效运作提供了有力支持设计合理、性能优良的它,是机械设备实现高效运行的重要保障轴承的耐用性出色,能够长时间保持良好的工作状态始终顺滑如初,它虽小,却是工业革命的基石 它的抗拉强度,让它经得起各种考验 ,八零动力SKF球面滚子轴承品种全,价格优,质量有保证!

用户关注最多的SKF轴承型号

SKF2210EKTN9 SKF2301 SKF331807 SKF619/4 SKF7004C/DF SKF71828CD/P4A SKFBT2B328705/HA1 SKFC71909DB/P7 SKFCR36X58X10HMS5RG SKFCR9843 SKFGEH90ES-2RS SKFL68149/110/Q SKFN212E SKFNJ248MA SKFSAF23056KAx10.1/2

241/950ECAF/W33球面滚子轴承近似的SKF轴承型号

SKF24130CC/W33* SKF241/600ECAK30/W33+AOH241/600 SKF24128CCK30/W33* SKF24136CCK30/W33+AH24136* SKF24140CCK30/W33+AH24140* SKF24132CCK30/W33+AH24132* SKF24120-2CS5/VT143* SKF241/500ECA/W33* SKF24120CCK30/W33* SKF24134CCK30/W33* SKF241/950ECAK30F/W33+AOH241/950 SKF241/950ECAK30F/W33

用户关注最多的轴承狗热门型号

DKF  7321B/DB KOYO  528/522 FAG  SNV100-L + 22211-E1 + TSV211 SNR  16013 SKF  CR105x130x12CRW1V SKF  NK7/10 NACHI  6807N NSK  65BER10S SKF  NU228ECM SKF  CR30X45X7HMS5V LYC  N 2320 EFP ZKL  32034 SKF  7022CD/P4A SKF  PCMW386201.5B IKO  AZK16027015

版权所有©2009-2015 轴承狗zcgou.com ICP备案:津ICP备14004550号-13