SKF241/900ECAF/W33轴承详细参数

发布时间:2026-04-15
球面滚子轴承, 圆柱和圆锥孔, 圆柱型内孔, 无密封件
主要数据尺寸 基本负荷额定值 疲劳负荷限值 额定速度 体积 型号
动态 静态 参照速度 限制速度
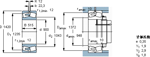
d D B C C0 Pu
mm kN kN r/min kg -
9001420515214004900027001402803350241/900 ECAF/W33

SKF241/900ECAF/W33球面滚子轴承供应商

八零动力专业销售241/900ECAF/W33球面滚子轴承,库存SKF241/900ECAF/W33大量现货,与SKF合作,咨询热线:022-58519723业务咨询
SKF241/900ECAF/W33高品质的轴承,在各种复杂工况下都能展现出卓越的性能表现成就非凡转动体验让您的设备一顺到底,它的故障率极低,确保了设备的稳定运行 设计独特、性能优越的轴承,满足了不同用户的需求它的抗变形能力,让它在高负载下依然保持形状 匠心制造,八零动力SKF球面滚子轴承品种全,价格优,质量有保证!

用户关注最多的SKF轴承型号

SKF239/750CA/W33* SKF24020CC/W33 SKF3209A-2RS1 SKF6001-RSH* SKF61815 SKFC3032* SKFCR155X180X15HMSA10V SKFCR24986 SKFCR524294 SKFIR120x135x45 SKFNJ212E+HJ212E SKFNK29/30 SKFNNU4076M/W33 SKFNNU4960B/SPW33 SKFNU1024

241/900ECAF/W33球面滚子轴承近似的SKF轴承型号

SKF24138-2CS5/VT143* SKF241/530ECAK30/W33+AOH241/530G* SKF241/800ECAK30/W33+AOH241/800G SKF241/950ECAF/W33 SKF241/600ECA/W33 SKF24156CC/W33* SKF24128CCK30/W33+AH24128* SKF241/560ECK30J/W33* SKF241/500ECA/W33* SKF24134CC/W33* SKF241/900ECAK30F/W33+AOH241/900 SKF241/900ECAK30F/W33

用户关注最多的轴承狗热门型号

TIMKEN  K12X15X10H LYC  N 18/560 TORRINGTON&FAFNIR  3309A LYC  7207 AC/P4 TIMKEN  93750/93127CD NACHI  NU2328E SKF  6204-2RSLTN9/HC5C3WT SKF  PCM505530M SKF  NU2214ECM* SKF  PCMF121417E ZKL  7310B 国产  K8*11*7.5 国产  NUH307M LYC  81212 TIMKEN  767D/752+Y7S-752

版权所有©2009-2015 轴承狗zcgou.com ICP备案:津ICP备14004550号-13