SKF24188ECA/W33*轴承详细参数

发布时间:2026-04-14
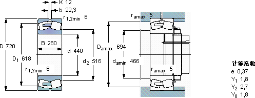
球面滚子轴承, 圆柱和圆锥孔, 圆柱型内孔, 无密封件
主要数据尺寸 基本负荷额定值 疲劳负荷限值 额定速度 体积 型号
动态 静态 参照速度 限制速度
d D B C C0 Pu * - SKF Explorer 轴承
mm kN kN r/min kg -
44072028075001320090040070046024188 ECA/W33 *

SKF24188ECA/W33*球面滚子轴承供应商

八零动力专业销售24188ECA/W33*球面滚子轴承,库存SKF24188ECA/W33*大量现货,与SKF合作,咨询热线:022-58519723业务咨询
SKF24188ECA/W33*它在建筑机械中的应用,确保了设备的可靠性 它的材质选择,体现了对耐用性的极致追求 它的几何精度,让机械运转分毫不差 品质卓越的它,为机械设备的稳定、高效运行提供了支持是机械世界的璀璨明星,为您创造更多可能,,八零动力SKF球面滚子轴承品种全,价格优,质量有保证!

用户关注最多的SKF轴承型号

SKF2213EKTN9 SKF23128CCK/W33 SKF240/1000CAK30F/W33 SKF31305J2/QDF SKF71908FB/P7 SKF7201C/DT SKFAOH241/500 SKFCR44000 SKFCR90x110x12CRW1R SKFCR99845 SKFGS89414 SKFHM807046/010/QCL7C SKFNK10/16TN SKFMB44 SKFSYFJ50TF

24188ECA/W33*球面滚子轴承近似的SKF轴承型号

SKF24188ECAK30/W33* SKF24188ECA/W33* SKF24188ECAK30/W33+AOH24188* SKF24188ECA/W33 SKF241/900ECAF/W33

用户关注最多的轴承狗热门型号

LYC  32064 X2 SKF  22217CCK/W33+H317 SKF  NUKRE52A LYC  020.30.800.03 FAG  B71905-E-2RSD-T-P4S TIMKEN  280RT92 KOYO  M667947D/911/911D SKF  CR320x380x30HDS1R SKF  30309J2/Q LYC  111.40.2500.12 BARDEN  7230C/DF TIMKEN  581D/572+Y5S-572 NACHI  6215-2NSE NACHI  C19116 IKO  RNAST10R

版权所有©2009-2015 轴承狗zcgou.com ICP备案:津ICP备14004550号-13