SKF241/800ECA/W33轴承详细参数

发布时间:2026-04-14
球面滚子轴承, 圆柱和圆锥孔, 圆柱型内孔, 无密封件
主要数据尺寸 基本负荷额定值 疲劳负荷限值 额定速度 体积 型号
动态 静态 参照速度 限制速度
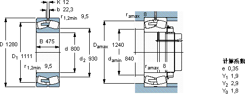
d D B C C0 Pu
mm kN kN r/min kg -
8001280475184004050023201703202300241/800 ECA/W33

SKF241/800ECA/W33球面滚子轴承供应商

八零动力专业销售241/800ECA/W33球面滚子轴承,库存SKF241/800ECA/W33大量现货,与SKF合作,咨询热线:022-58519723业务咨询
SKF241/800ECA/W33该轴承的性能卓越,完全满足了各种严苛工况的需求稳定旋转的核心力量它的抗冲击能力,让它经久不衰 精准运转稳定的传奇高品质的轴承,在各种复杂环境下都能稳定发挥作用,八零动力SKF球面滚子轴承品种全,价格优,质量有保证!

用户关注最多的SKF轴承型号

SKF22209CCK/W33 SKF32309J2/Q SKF33014 SKF7306B/DB SKFBC2B322969/HB1 SKFCR120X160X12HMSA10RG SKFCR3150210 SKFCR405803 SKFCR52X85X10HMSA10RG SKFCR75046 SKFCR81352 SKFNJ412+HJ412 SKFNJG2305VH SKFNUP306ECM* SKFSYE1.7/16-3

241/800ECA/W33球面滚子轴承近似的SKF轴承型号

SKF241/530ECAK30/W33+AOH241/530G* SKF24176ECAK30/W33+AOH24176* SKF24140CCK30/W33* SKF24164CCK30/W33* SKF24148CCK30/W33* SKF24130-2CS5/VT143* SKF241/630ECAK30/W33 SKF24192ECAK30/W33+AOH24192* SKF24130-2CS5K30/VT143* SKF24130CCK30/W33* SKF241/800ECAK30/W33 SKF241/850ECAK30F/W33+AOH241/850

用户关注最多的轴承狗热门型号

NTN  UKK309+H2309 NTN  NF248 TORRINGTON&FAFNIR  7028C NTN  UEL310 国产  5692/630 TIMKEN  33889/33821D/X1S-33889 RHP  NU317 FAG  AH3068G-H SKF  QJ328 MRC  7334C FAG  7307-B-2RS-TVP SKF  CR16999 FAG  23024-E1A-K-M + H3024 INA  LR5003-2RS IKO  SB152613

版权所有©2009-2015 轴承狗zcgou.com ICP备案:津ICP备14004550号-13