SKF240/710ECA/W33*轴承详细参数

发布时间:2026-04-14
球面滚子轴承, 圆柱和圆锥孔, 圆柱型内孔, 无密封件
主要数据尺寸 基本负荷额定值 疲劳负荷限值 额定速度 体积 型号
动态 静态 参照速度 限制速度
d D B C C0 Pu * - SKF Explorer 轴承
mm kN kN r/min kg -
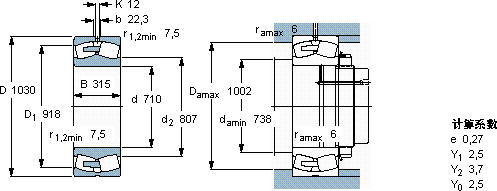
710103031510600228001370260450895240/710 ECA/W33 *

SKF240/710ECA/W33*球面滚子轴承供应商

八零动力专业销售240/710ECA/W33*球面滚子轴承,库存SKF240/710ECA/W33*大量现货,与SKF合作,咨询热线:022-58519723业务咨询
SKF240/710ECA/W33*质量无可比拟的轴承,在行业内树立了良好的品质标杆质量上乘的轴承,为设备的高效稳定运行奠定了基础为您的工程保驾护航,质量无可挑剔的轴承,为设备的高效运作提供了有力支持设计合理、性能优良的轴承,是机械设备的理想之选品质卓越,八零动力SKF球面滚子轴承品种全,价格优,质量有保证!

用户关注最多的SKF轴承型号

SKF16008/HR11TN SKF22309E* SKF305288DA SKF32034 SKF51320 SKF6205-ZNR* SKF7021AC/DT SKF71948ACD/P4A SKF7314BECBP* SKFBT4B332959/HA4 SKFC6914V* SKFNJ319ECP* SKFNU20/530ECMA SKFS7028ACD/P4A SKFSC71907DB/P7

240/710ECA/W33*球面滚子轴承近似的SKF轴承型号

SKF240/500ECAK30/W33+AOH240/500* SKF24032-2CS5K30/VT143* SKF24034-2CS5/VT143* SKF24015CCK30/W33* SKF240/530ECA/W33* SKF240/1120CAK30F/W33 SKF24024CCK30/W33* SKF24084ECAK30/W33* SKF240/600ECAK30/W33+AOH240/600* SKF24038CCK30/W33* SKF240/710ECAK30/W33* SKF240/750ECAK30/W33+AOH240/750G*

用户关注最多的轴承狗热门型号

SKF  NJ221ECJ* KOYO  7207B/DT NTN  61816-RZ GMN  71907C/DB SKF  7203C INA  ZM10 NACHI  23034AXW33K NSK  23936CAE4 FAG  32064-X SKF  OKC100 LYC  NU 316 EF1/C3Z1 LYC  011.20.945.03 SKF  7221BEP TIMKEN  AOH3996 IKO  CRW2-150SL

版权所有©2009-2015 轴承狗zcgou.com ICP备案:津ICP备14004550号-13