SKF24034CC/W33*轴承详细参数

发布时间:2026-04-15
球面滚子轴承, 圆柱和圆锥孔, 圆柱型内孔, 无密封件
主要数据尺寸 基本负荷额定值 疲劳负荷限值 额定速度 体积 型号
动态 静态 参照速度 限制速度
d D B C C0 Pu * - SKF Explorer 轴承
mm kN kN r/min kg -
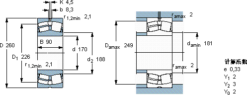
1702609093014601371600240017,524034 CC/W33 *

SKF24034CC/W33*球面滚子轴承供应商

八零动力专业销售24034CC/W33*球面滚子轴承,库存SKF24034CC/W33*大量现货,与SKF合作,咨询热线:022-58519723业务咨询
SKF24034CC/W33*这款轴承的精度极高,能够满足对精度要求苛刻的设备制造工艺先进,使得这款轴承的性能远超普通产品是您机械世界里的不败功臣,优秀的轴承,就像精密仪器的心脏,确保着整个系统的高效运转为设备的精确运行提供了保障,该轴承的精度控制精准,为设备的精确运行提供了保障为您的机械提供持久动力,,八零动力SKF球面滚子轴承品种全,价格优,质量有保证!

用户关注最多的SKF轴承型号

SKF30220J2 SKF30232 SKF7020ACD/P4A SKFC71907DB/P7 SKFCR19628 SKFCR13875 SKFCR19768 SKFCR40X80X10HMSA10V SKFCR99620 SKFFYNT70L SKFGE40ES-2RS SKFNNCL4832CV SKFNU228ECM* SKFOKCX900 SKFPCZ1624B

24034CC/W33*球面滚子轴承近似的SKF轴承型号

SKF24034CCK30/W33+AH24034* SKF24034CC/W33* SKF24034-2CS5/VT143* SKF24034CCK30/W33* SKF24034CC/W33 SKF24036-2CS5/VT143*

用户关注最多的轴承狗热门型号

INA  KTSS16-PP-AS SKF  IR32x40x36 NACHI  6906-2NKE MRC  6214-ZN LYC  23038 SKF  CR75X100X10HMS5RG TORRINGTON FAFNIR  6303N NACHI  7217DF TIMKEN  567A/563 SKF  313 SKF  FYRP2.15/16H-3 LYC  23988 CA SKF  NNCL4956CV ZKL  7203B/DF STEYR  NUP418

版权所有©2009-2015 轴承狗zcgou.com ICP备案:津ICP备14004550号-13