SKF240/560ECA/W33*轴承详细参数

发布时间:2026-04-15
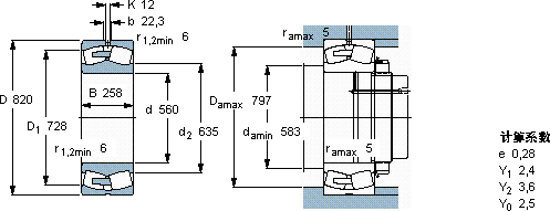
球面滚子轴承, 圆柱和圆锥孔, 圆柱型内孔, 无密封件
主要数据尺寸 基本负荷额定值 疲劳负荷限值 额定速度 体积 型号
动态 静态 参照速度 限制速度
d D B C C0 Pu * - SKF Explorer 轴承
mm kN kN r/min kg -
560820258735014600960380630465240/560 ECA/W33 *

SKF240/560ECA/W33*球面滚子轴承供应商

八零动力专业销售240/560ECA/W33*球面滚子轴承,库存SKF240/560ECA/W33*大量现货,与SKF合作,咨询热线:022-58519723业务咨询
SKF240/560ECA/W33*稳定旋转的核心力量不得不说,这款轴承的品质过硬,在行业内堪称典范,稳定持久高品质的轴承,在各种复杂环境下都能稳定发挥作用它的旋转精度,让高速运转成为现实 它的故障率极低,确保了设备的稳定运行 ,八零动力SKF球面滚子轴承品种全,价格优,质量有保证!

用户关注最多的SKF轴承型号

SKF23148CCK/W33+OH3148H* SKF3209A-Z SKF6013-2RS1* SKF71924ACD/HCP4A SKF71930C/DT SKF89418M SKFCR120X160X12HMSA10RG SKFCR15310 SKFGE17TXGR SKFHMV190E SKFIR15x19x20 SKFNA4836 SKFNNCF5038CV SKFPFT1.1/16FM SKFRNA6909

240/560ECA/W33*球面滚子轴承近似的SKF轴承型号

SKF24028CCK30/W33+AH24028* SKF240/850ECAK30/W33+AOH240/850G SKF240/530ECAK30/W33+AOH240/530G* SKF240/500ECAK30/W33+AOH240/500* SKF240/710ECAK30/W33* SKF24080ECCK30J/W33* SKF240/670ECAK30/W33+AOH240/670G* SKF240/800ECAK30/W33+AOH240/800G* SKF24088ECAK30/W33* SKF23240CCK/W33+AH3240* SKF240/560ECAK30/W33* SKF240/600ECAK30/W33+AOH240/600*

用户关注最多的轴承狗热门型号

国产  NJ22230M STEYR  NJ2328E SKF  HA2306 RIV  NF307 SKF  23038CCK/W33+H3038* MRC  6312-2Z SKF  BSR-8001 NACHI  7034DB LYC  5692/670 INA  PTUEY50 INA  RCSMF20 SKF  CR110X150X12HMSA10V SKF  LM241147/110/QVQ051 INA  AB32 IKO  NA4980

版权所有©2009-2015 轴承狗zcgou.com ICP备案:津ICP备14004550号-13