SKF24088ECA/W33*轴承详细参数

发布时间:2026-05-30
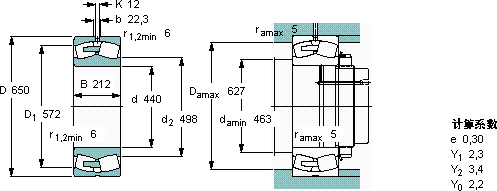
球面滚子轴承, 圆柱和圆锥孔, 圆柱型内孔, 无密封件
主要数据尺寸 基本负荷额定值 疲劳负荷限值 额定速度 体积 型号
动态 静态 参照速度 限制速度
d D B C C0 Pu * - SKF Explorer 轴承
mm kN kN r/min kg -
4406502124800915063050085024524088 ECA/W33 *

SKF24088ECA/W33*球面滚子轴承供应商

八零动力专业销售24088ECA/W33*球面滚子轴承,库存SKF24088ECA/W33*大量现货,与SKF合作,咨询热线:022-58519723业务咨询
SKF24088ECA/W33*没有轴承,现代机械将寸步难行,这轴承的质量过硬,经得起时间和高强度工作的考验它在机床设备中的应用,确保了加工精度 它的耐磨性能,让它在恶劣环境下依然稳定运行 它的质量过硬,为机械设备的高效、安全运行提供了保障这轴承的精度控制令人佩服,为设备的精准运行提供了保障,八零动力SKF球面滚子轴承品种全,价格优,质量有保证!

用户关注最多的SKF轴承型号

SKF22215E* SKF249/950CA/W33 SKF7005C/DT SKF71926C/DF SKF7418GAM SKF812/1060M SKFC2207KTN9* SKFC3232K+AH3232G* SKFCR23885 SKFCR526806 SKFFYT1.3/4TF/VA201 SKFFYTBK30TR SKFFYTL1.1/4THR SKFGEZ108TXE-2LS SKFSALKAC10M

24088ECA/W33*球面滚子轴承近似的SKF轴承型号

SKF24088ECA/W33* SKF24088ECAK30/W33* SKF24088ECAK30/W33+AOH24088* SKF24088ECA/W33 SKF240/900ECA/W33

用户关注最多的轴承狗热门型号

SKF  232/530CAK/W33+AOH32/530G NTN  7002C NACHI  7008CDB SKF  CR99153 NTN  7920CDT MRC  71922C/DT SKF  CR85X105X12HMSA10V LYC  22232 CA/C3W33 SKF  YEL212-2F/W64 KOYO  48FC33220 SKF  722516B INA  IR30X37X22 KOYO  32920 NTN  7007AC TORRINGTON&FAFNIR  6308

版权所有©2009-2015 轴承狗zcgou.com ICP备案:津ICP备14004550号-13