SKF24092ECAK30/W33*轴承详细参数

发布时间:2026-05-30
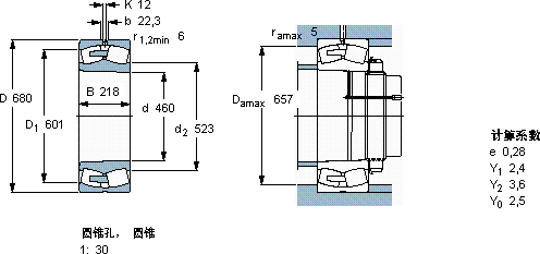
球面滚子轴承, 圆柱和圆锥孔, 圆锥型内孔, 无密封件
主要数据尺寸 基本负荷额定值 疲劳负荷限值 额定速度 体积 型号
动态 静态 参照速度 限制速度
d D B C C0 Pu * - SKF Explorer 轴承
mm kN kN r/min kg -
46068021852001000067048080027024092 ECAK30/W33 *

SKF24092ECAK30/W33*球面滚子轴承供应商

八零动力专业销售24092ECAK30/W33*球面滚子轴承,库存SKF24092ECAK30/W33*大量现货,与SKF合作,咨询热线:022-58519723业务咨询
SKF24092ECAK30/W33*轴承的选材精良,确保了其具有良好的耐磨性和抗腐蚀性它的轻量化设计,减少了运输成本 它在机床设备中的应用,确保了加工精度 它在食品机械中的应用,展现了它的卫生性能 它的密封性能,减少了润滑剂的泄漏 先进的生产工艺,让这款轴承的性能得到了极大提升,八零动力SKF球面滚子轴承品种全,价格优,质量有保证!

用户关注最多的SKF轴承型号

SKF23056CC/W33 SKF32015X/Q SKF6217N* SKF6315-RS SKF71819ACD/HCP4 SKF7309BEY SKF81109TN SKFCR11674 SKFCR22392 SKFCR57506 SKFCR680x740x30HDS2R SKFMS3072 SKFNCF3040CV SKFNJ2312ECP* SKFSNL3264F

24092ECAK30/W33*球面滚子轴承近似的SKF轴承型号

SKF24092ECA/W33* SKF24092ECAK30/W33* SKF24092ECAK30/W33+AOH24092* SKF24092CAC/W33 SKF24092ECAK30/W33+AOH24092*

用户关注最多的轴承狗热门型号

SKF  CR26X38X5HMSA10V TIMKEN  843/834D SNR  7320B/DB 国产  NA6916 FAG  AH2332G-H MAC  NUP2211 FAG  22320-E1-K-T41A + H2320 TIMKEN  23100/23256-B INA  LFE12-1/M12 国产  NU3080 NTN  22338BK KOYO  23930R BARDEN  7009AC/DT LYC  22210 C FAG  BND3248-H-C-Y-BF-S

版权所有©2009-2015 轴承狗zcgou.com ICP备案:津ICP备14004550号-13