SKF24092ECA/W33*轴承详细参数

发布时间:2026-04-15
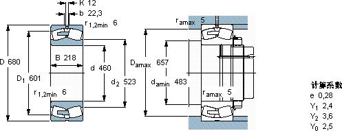
球面滚子轴承, 圆柱和圆锥孔, 圆柱型内孔, 无密封件
主要数据尺寸 基本负荷额定值 疲劳负荷限值 额定速度 体积 型号
动态 静态 参照速度 限制速度
d D B C C0 Pu * - SKF Explorer 轴承
mm kN kN r/min kg -
46068021852001000067048080027524092 ECA/W33 *

SKF24092ECA/W33*球面滚子轴承供应商

八零动力专业销售24092ECA/W33*球面滚子轴承,库存SKF24092ECA/W33*大量现货,与SKF合作,咨询热线:022-58519723业务咨询
SKF24092ECA/W33*它的质量可靠,是众多机械设备制造商的首选配件它虽小,却是工业革命的基石 它在汽车工业中的应用,让车辆运行更加平稳 它的高可靠性,减少了设备停机时间 这款轴承的运转十分平稳,几乎感受不到任何震动机械的心脏,八零动力SKF球面滚子轴承品种全,价格优,质量有保证!

用户关注最多的SKF轴承型号

SKFBGSB358235 SKFC2212V* SKFCR17193 SKFCR17836 SKFCR26X37X7HMS5V SKFCR28698 SKFFYR2.3/4 SKFKR90PPA SKFNN3040K/W33 SKFNUP203ECP SKFPCM060810E SKFPCZ4832M SKFSAFC2530 SKFSALA45TXE-2LS SKFW607-2RS1

24092ECA/W33*球面滚子轴承近似的SKF轴承型号

SKF24092ECAK30/W33+AOH24092* SKF24092ECAK30/W33* SKF24092ECA/W33* SKF24092ECA/W33 SKF240/950CAF/W33

用户关注最多的轴承狗热门型号

FAG  SNV160-L + 20218-MB + DHV218 TIMKEN  K75X83X30FH NACHI  NF348 KOYO  22324CCK/W33 SKF  SYH13/16WF NTN  6010NR SKF  SYE2.11/16-18 INA  IR35X40X20,5 NSK  105TAC29X+L ZKL  NJ421 LYC  306/47 LYC  382040/P6 FAG  SNV120-L + 21311-E1-K + H311X115 + DH611 NTN  7830CDF LYC  6314 E-Z

版权所有©2009-2015 轴承狗zcgou.com ICP备案:津ICP备14004550号-13