SKF23944CC/W33轴承详细参数

发布时间:2026-05-29
球面滚子轴承, 圆柱和圆锥孔, 圆柱型内孔, 无密封件
主要数据尺寸 基本负荷额定值 疲劳负荷限值 额定速度 体积 型号
动态 静态 参照速度 限制速度
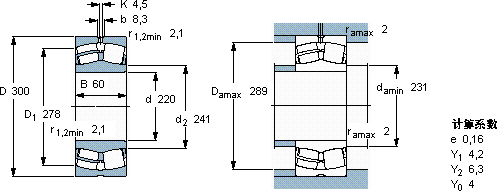
d D B C C0 Pu
mm kN kN r/min kg -
220300605461080931900220012,523944 CC/W33

SKF23944CC/W33球面滚子轴承供应商

八零动力专业销售23944CC/W33球面滚子轴承,库存SKF23944CC/W33大量现货,与SKF合作,咨询热线:022-58519723业务咨询
SKF23944CC/W33为您的设备保驾护航,让机械运转无忧它的滚动体分布均匀,运转平稳无振动 它的质量卓越,为机械设备的安全运行保驾护航它的精密测量技术,确保了每一件产品的品质 精密与耐用的完美结合,它的长寿命,减少了资源浪费 ,八零动力SKF球面滚子轴承品种全,价格优,质量有保证!

用户关注最多的SKF轴承型号

SKF2211E-2RS1TN9 SKF2310E-2RS1TN9 SKF32219J2/DF SKF629/HR22T2 SKF7308BECBP SKFC2210KV+H310E* SKFCR16121 SKFCR32X50X8HMS5V SKFCR4913 SKFNCF3076CV SKFNK14/16 SKFS71922FB/P7 SKFS71920FB/P7 SKFSY45WF SKFSYR1.11/16NH

23944CC/W33球面滚子轴承近似的SKF轴承型号

SKF23944-2CS/VT143 SKF23944CC/W33 SKF23944CCK/W33+OH3944H SKF23944CCK/W33 SKF23944CC/W33 SKF23948CCK/W33

用户关注最多的轴承狗热门型号

SKF  C3180KM* NACHI  NUP238 SKF  NU2326ECMA SKF  7313BEGBP* FAG  SNV170-L + 22219-E1-K + H319X306 + DHV519 NACHI  130KBE131 SKF  6304-2Z INA  K32X37X27 TIMKEN  EE170975/171436 GMN  7210AC/DF STEYR  6003-2Z SKF  32212BJ2/Q IKO  TLAM5020 IKO  CF4UU IKO  LWHT30...M

版权所有©2009-2015 轴承狗zcgou.com ICP备案:津ICP备14004550号-13