SKF232/530CA/W33轴承详细参数

发布时间:2026-05-30
球面滚子轴承, 圆柱和圆锥孔, 圆柱型内孔, 无密封件
主要数据尺寸 基本负荷额定值 疲劳负荷限值 额定速度 体积 型号
动态 静态 参照速度 限制速度
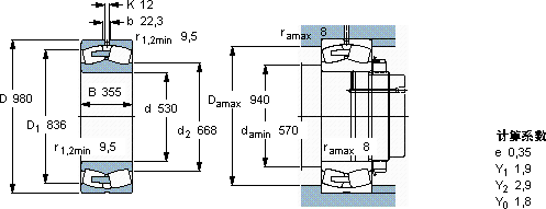
d D B C C0 Pu
mm kN kN r/min kg -
530980355111002040012203004801200232/530 CA/W33

SKF232/530CA/W33球面滚子轴承供应商

八零动力专业销售232/530CA/W33球面滚子轴承,库存SKF232/530CA/W33大量现货,与SKF合作,咨询热线:022-58519723业务咨询
SKF232/530CA/W33它的密封性能,减少了润滑剂的泄漏 高品质的轴承,在复杂工况下也能展现出卓越的性能质量无可挑剔的轴承,在行业内树立了良好的口碑和形象它的每一次转动,都是对效率的极致追求 它在纺织机械中的应用,确保了设备的高速运转 它的制造工艺,堪称工业艺术的典范 ,八零动力SKF球面滚子轴承品种全,价格优,质量有保证!

用户关注最多的SKF轴承型号

SKF22210CCK/W33 SKF314897/VJ202 SKF51206V/HR11T1 SKF71918CE/P4A SKF722508DB SKF7318BECBM* SKFC4122K30V* SKFCR13419 SKFCR2500250 SKFCR40X55X7HMS5RG SKFCR6762 SKFNJ308ECML* SKFNNU4088M/W33 SKFOKCX260 SKFTU2.WF

232/530CA/W33球面滚子轴承近似的SKF轴承型号

SKF22328CCK/W33+AHX2328G* SKF22324CCK/W33* SKF23218CCK/W33+H2318* SKF22324-2CS5K/VT143* SKF232/670CAK/W33+OH32/670H SKF22320EK+H2320* SKF232/560CAK/W33 SKF22328CCKJA/W33VA405* SKF22320EKJA/VA405* SKF232/710CA/W33 SKF232/530CAK/W33 SKF232/560CAK/W33+AOH32/560

用户关注最多的轴承狗热门型号

SKF  QJ208MA SKF  NU2326E BARDEN  7215C GMN  7212C/DB TIMKEN  160RU92 NTN  7207C/DF TIMKEN  LM377449/LM377410CD+LM377449XB SKF  4307ATN9 NTN  22264BK SKF  1209ETN9 SKF  NU1016 KOYO  N407 SKF  1313ETN9 SKF  HE3026 IKO  LRXSG30

版权所有©2009-2015 轴承狗zcgou.com ICP备案:津ICP备14004550号-13