SKF23264CCK/W33+OH3264H*轴承详细参数

发布时间:2026-04-15
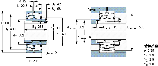
球面滚子轴承, 带紧定套的
主要数据尺寸 基本负荷额定值 疲劳负荷限值 额定速度 体积 型号
动态 静态 参照速度 限制速度 轴承 + 紧定套
d1 D B C C0 Pu
* - SKF Explorer 轴承
mm kN kN r/min kg -
3005802084400670048070095026023264 CCK/W33 + OH 3264 H *

SKF23264CCK/W33+OH3264H*球面滚子轴承供应商

八零动力专业销售23264CCK/W33+OH3264H*球面滚子轴承,库存SKF23264CCK/W33+OH3264H*大量现货,与SKF合作,咨询热线:022-58519723业务咨询
SKF23264CCK/W33+OH3264H*它的制造工艺,堪称工业艺术的典范 它的质量过硬,为机械设备的高效、安全、稳定运行 转动不停歇它的精密测量技术,确保了每一件产品的品质 它在家用电器中的应用,让生活更加便捷 它的质量过硬,为机械设备的高效、安全运行提供了保障,八零动力SKF球面滚子轴承品种全,价格优,质量有保证!

用户关注最多的SKF轴承型号

SKF22309CC/W33 SKF618/800MA SKF61912-2RZ SKF71820ACD/P4 SKFAOH24180 SKF81107 SKFCR22X42X10HMSA10RG SKFCR38X55X10HMS5V SKFNK7/12 SKFNNF5038ADA-2LSV SKFNU211ECJ* SKFNU2314ECP SKFOKC570 SKFTU30TF SKFUELFU205

23264CCK/W33+OH3264H*球面滚子轴承近似的SKF轴承型号

SKF23264CCK/W33+AOH3264G* SKF23264CCK/W33+OH3264H* SKF23264CC/W33* SKF23264CCK/W33* SKF23264CCK/W33+AOH3264G* SKF23264CC/W33

用户关注最多的轴承狗热门型号

KOYO  84FC58320 NMB  R-825ZZ ZKL  32208 LYC  6314 EN/C2 LYC  23134 CA/W33 NTN  NU407 LYC  30306 X2B 国产  6003/Z2 FAG  SNV180-L + 22220-E1-K + H320X311 + TSV520X311 NTN  52212 SKF  2x7313BECBP* LYC  350660 D1 KOYO  15119/245 TIMKEN  468/452D+X1S-468 NSK  230/560CAE4

版权所有©2009-2015 轴承狗zcgou.com ICP备案:津ICP备14004550号-13