SKF23288CAK/W33*轴承详细参数

发布时间:2026-04-15
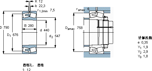
球面滚子轴承, 圆柱和圆锥孔, 圆锥型内孔, 无密封件
主要数据尺寸 基本负荷额定值 疲劳负荷限值 额定速度 体积 型号
动态 静态 参照速度 限制速度
d D B C C0 Pu * - SKF Explorer 轴承
mm kN kN r/min kg -
44079028078001250080043060057023288 CAK/W33 *

SKF23288CAK/W33*球面滚子轴承供应商

八零动力专业销售23288CAK/W33*球面滚子轴承,库存SKF23288CAK/W33*大量现货,与SKF合作,咨询热线:022-58519723业务咨询
SKF23288CAK/W33*这款轴承的运转平稳,几乎听不到任何噪音,令人惊艳轴承的耐用性出色,能够长时间保持良好的工作状态先进的制造工艺,让这款轴承的性能更加稳定可靠它机械世界的心脏,默默支撑着无数设备的运转 该轴承的性能卓越,完全满足了各种严苛工况的需求它在化工设备中的应用,展现了它的耐腐蚀性 ,八零动力SKF球面滚子轴承品种全,价格优,质量有保证!

用户关注最多的SKF轴承型号

SKF1322KM+H322 SKF23026-2CS5/VT143* SKF6219-2Z/VA201 SKF71940CD/P4A SKFCR17x28x7CRSA1R SKFCR19211 SKFCR21103 SKFCR401405 SKFCR40x62x8CRW1V SKFFYRP3.1/2-3 SKFGE80ES-2RS SKFLM501349/314/Q SKFMS3092-88 SKFNCF29/710V SKFNNU4924B/SPW33

23288CAK/W33*球面滚子轴承近似的SKF轴承型号

SKF23288CAK/W33+OH3288H* SKF23288CAK/W33* SKF23288CA/W33* SKF23288CAK/W33+AOHX3288G* SKF23288CAC/W33 SKF23288CAK/W33+AOHX3288G*

用户关注最多的轴承狗热门型号

国产  6318-Z/Z3 SKF  NJ318E KOYO  32324 NTN  7909CDB NTN  23134BK+H3134 SKF  607/HR11QN INA  NUKR80 INA  J3525 KOYO  33016 FAG  SNV170-L + 22316-E1-K + H2316X212 + FSV616 NSK  22308HE4 SKF  NNCF4934CV TIMKEN  KM08 NSK  UCP212D1 IKO  LRTZ8510064

版权所有©2009-2015 轴承狗zcgou.com ICP备案:津ICP备14004550号-13