SKF23272CAK/W33*轴承详细参数

发布时间:2026-04-15
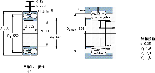
球面滚子轴承, 圆柱和圆锥孔, 圆锥型内孔, 无密封件
主要数据尺寸 基本负荷额定值 疲劳负荷限值 额定速度 体积 型号
动态 静态 参照速度 限制速度
d D B C C0 Pu * - SKF Explorer 轴承
mm kN kN r/min kg -
3606502325400830057053075032523272 CAK/W33 *

SKF23272CAK/W33*球面滚子轴承供应商

八零动力专业销售23272CAK/W33*球面滚子轴承,库存SKF23272CAK/W33*大量现货,与SKF合作,咨询热线:022-58519723业务咨询
SKF23272CAK/W33*卓越的性能和可靠的质量,让这款轴承成为市场的宠儿该轴承的性能出色,有效提升了机械设备的整体性能精湛的制造工艺赋予了这款轴承卓越的性能和品质 引领转动新潮流,这款轴承的性能卓越,有效提升了设备的整体性能和可靠性高精度与高可靠性的完美结合,成就了这款杰出的轴承,八零动力SKF球面滚子轴承品种全,价格优,质量有保证!

用户关注最多的SKF轴承型号

SKF5206E SKF7011CD/HCP4A SKF7201C/DB SKF7207BEGBY SKF7213ACD/P4A SKFBT4B332658/HA4 SKFCR20158 SKFCR2450569 SKFCR32X46X8CRS1R SKFCR34867 SKFCR50X72X12HMS5V SKFFYM2.7/16TF SKFHE3122 SKFNJ306E SKFSYR3.15/16-3

23272CAK/W33*球面滚子轴承近似的SKF轴承型号

SKF23272CAK/W33+AOH3272G* SKF23272CA/W33* SKF23272CAK/W33* SKF23272CAK/W33+OH3272H* SKF23272CAC/W33 SKF23272CAK/W33+AOH3272G*

用户关注最多的轴承狗热门型号

FAG  SNV160-L + 2315-K-M-C3 + H2315X210 + TCV615X210 FYH  UK317+H2317 国产  7209ACM SKF  2x7317BECBPH* SKF  NU320ECML* MRC  6006-2RS NTN  62/32-2RZ DKF  7205B/DF SKF  KMTA9 KOYO  6310N INA  NA6912-ZW LYC  012.60.2800.03 TIMKEN  30210/30210 SKF  NK5/10 IKO  NA6901U

版权所有©2009-2015 轴承狗zcgou.com ICP备案:津ICP备14004550号-13