SKF23226CC/W33*轴承详细参数

发布时间:2026-05-30
球面滚子轴承, 圆柱和圆锥孔, 圆柱型内孔, 无密封件
主要数据尺寸 基本负荷额定值 疲劳负荷限值 额定速度 体积 型号
动态 静态 参照速度 限制速度
d D B C C0 Pu * - SKF Explorer 轴承
mm kN kN r/min kg -
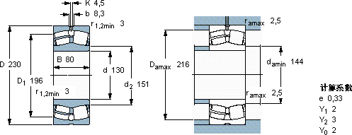
1302308078010601041900260014,523226 CC/W33 *

SKF23226CC/W33*球面滚子轴承供应商

八零动力专业销售23226CC/W33*球面滚子轴承,库存SKF23226CC/W33*大量现货,与SKF合作,咨询热线:022-58519723业务咨询
SKF23226CC/W33*这轴承的设计巧妙,充分考虑了设备的运行需求和维护便利性它的抗剪切性能,确保了它的结构稳定性 它的质量可靠,是众多机械设备制造商的首选配件它的耐高温性能,减少了冷却系统的能耗 精准运转它的几何精度,让机械运转分毫不差 ,八零动力SKF球面滚子轴承品种全,价格优,质量有保证!

用户关注最多的SKF轴承型号

SKF231/630CAK/W33 SKF7034AC SKF71802ACD/P4 SKF7317BECBF SKFCR15542 SKFCR21100 SKFCR25X47X10HMS5RG SKFCR25X50X10HMSA10V SKFCR99675 SKFHE2340 SKFHN5020 SKFNCF18/670V SKFNU224ECML* SKFPCZ1008B SKFS71928CD/HCP4A

23226CC/W33*球面滚子轴承近似的SKF轴承型号

SKF23226CCK/W33+H2326 SKF23226CCK/W33+AHX3226G* SKF23226-2CS5K/VT143* SKF23226CC/W33* SKF23226CCK/W33* SKF23226-2CS5/VT143* SKF23226CC/W33 SKF23228-2CS5K/VT143*

用户关注最多的轴承狗热门型号

ASAHI  UK326+H2326 STEYR  7206B/DB SKF  7218BEGAP* TIMKEN  H239640/H239610 NACHI  7210CDF TIMKEN  43125/43319D/X1S-43125 SKF  NJ2206ECJ* KOYO  61836 LYC  89320 M KOYO  RPU374337F TIMKEN  13169D/13318/Y2S-13318 LYC  NJ 29/500 NTN  7917 LYC  239/494/W33 IKO  CRWM1-60

版权所有©2009-2015 轴承狗zcgou.com ICP备案:津ICP备14004550号-13