SKF23226CCK/W33+H2326轴承详细参数

发布时间:2026-04-14
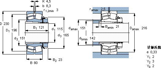
球面滚子轴承, 带紧定套的
主要数据尺寸 基本负荷额定值 疲劳负荷限值 额定速度 体积 型号
动态 静态 参照速度 限制速度 轴承 + 紧定套
d1 D B C C0 Pu
mm kN kN r/min kg -
1152308078010601041900260018,523226 CCK/W33 + H 2326

SKF23226CCK/W33+H2326球面滚子轴承供应商

八零动力专业销售23226CCK/W33+H2326球面滚子轴承,库存SKF23226CCK/W33+H2326大量现货,与SKF合作,咨询热线:022-58519723业务咨询
SKF23226CCK/W33+H2326其设计和制造工艺都达到了国际先进水平,是一款优质轴承它的材质选择,体现了对品质的极致追求 高精度的轴承,为设备的稳定运行提供了坚实保障它的密封性能,完美抵御灰尘和杂质的侵袭 就是选择高效与可靠它的精密设计,展现了人类智慧的巅峰 ,八零动力SKF球面滚子轴承品种全,价格优,质量有保证!

用户关注最多的SKF轴承型号

SKF239/670CA/W33 SKF314NR SKF3302A-2Z SKF5311E-2Z SKFC31/750MB* SKFCR23641 SKFCR41401 SKFCR52X72X10HMS5RG SKFCR99599 SKFGE280CS-2Z SKFIR10x14x16 SKFNU2222ECJ* SKFNU2264ECMA SKFOH3260H SKFS7011ACD/HCP4A

23226CCK/W33+H2326球面滚子轴承近似的SKF轴承型号

SKF23226-2CS5K/VT143* SKF23226CCK/W33+AHX3226G* SKF23226CC/W33* SKF23226-2CS5/VT143* SKF23226CCK/W33* SKF23226CCK/W33+H2326 SKF23226CCK/W33+AHX3226G* SKF23226CC/W33

用户关注最多的轴承狗热门型号

SKF  NU2232ECMA SNR  51122 BARDEN  7010AC SKF  BC2-8014 NSK  NU211EM MRC  QJ318 TIMKEN  JHM522649A/JHM522610 TORRINGTON  24034CCK30/W33 SKF  234730B NTN  232/500B SKF  23136CCK/33+H3136 LYC  31072 X2/P6 TIMKEN  K34X44X26FH NACHI  7011CDT NTN  6217-RZ

版权所有©2009-2015 轴承狗zcgou.com ICP备案:津ICP备14004550号-13