SKF23224CCK/W33+H2324轴承详细参数

发布时间:2026-04-14
球面滚子轴承, 带紧定套的
主要数据尺寸 基本负荷额定值 疲劳负荷限值 额定速度 体积 型号
动态 静态 参照速度 限制速度 轴承 + 紧定套
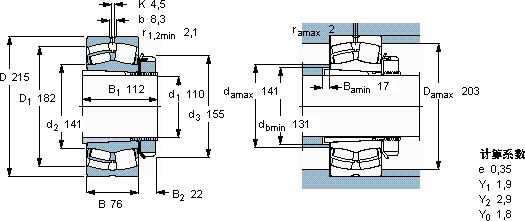
d1 D B C C0 Pu
mm kN kN r/min kg -
11021576695930932000280014,723224 CCK/W33 + H 2324

SKF23224CCK/W33+H2324球面滚子轴承供应商

八零动力专业销售23224CCK/W33+H2324球面滚子轴承,库存SKF23224CCK/W33+H2324大量现货,与SKF合作,咨询热线:022-58519723业务咨询
SKF23224CCK/W33+H2324它的几何精度,让机械运转分毫不差 它的抗磨损涂层,让它更加耐用 它的抗剪切性能,确保了它的结构稳定性 每一次转动都是精准与力量的完美呈现,这款轴承的性能卓越,有效提升了设备的整体性能和可靠性稳定的传奇,八零动力SKF球面滚子轴承品种全,价格优,质量有保证!

用户关注最多的SKF轴承型号

SKF230/950CAK/W33+AOH30/950 SKF6317-2RS SKF71934C/DF SKF7204CD/HCP4A SKFAH24130 SKFC3060KM* SKFCR25X37X7HMS5RG SKFCR28761 SKFCR35X52X7HMS5RG SKFCR524591 SKFHK2220 SKFNU1036 SKFNUP311ECJ* SKFPFT30WF SKFSNL3134

23224CCK/W33+H2324球面滚子轴承近似的SKF轴承型号

SKF23224-2CS5/VT143* SKF23224CCK/W33* SKF23224CCK/W33+AHX3224G* SKF23224CCK/W33+H2324 SKF23224CC/W33* SKF23224-2CS5K/VT143* SKF23224CCK/W33+AHX3224G* SKF23224CC/W33

用户关注最多的轴承狗热门型号

NTN  22344BK+H2344 SKF  R144 TORRINGTON  23188CAC/W33 STEYR  NU1032 NTN  23048BK+H3048 INA  KTN30-C-PP-AS NMB  L-625ZZ NSK  23268CAKE4 GMN  7202B/DB SNR  6310-2Z SKF  2x7316BEGAP* NSK  22222EAE4 SNR  6214-2Z NACHI  5215Z NSK  23948CAMKE4

版权所有©2009-2015 轴承狗zcgou.com ICP备案:津ICP备14004550号-13