SKF23224-2CS5/VT143*轴承详细参数

发布时间:2026-05-30
球面滚子轴承, 圆柱和圆锥孔, 圆柱型内孔, 两面密封件
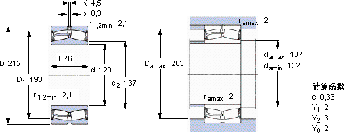
主要数据尺寸 基本负荷额定值 疲劳负荷限值 额定速度 体积 型号
动态 静态 参照速度 限制速度
d D B C C0 Pu * - SKF Explorer 轴承
mm kN kN r/min kg -
1202157669593093-6001223224-2CS5/VT143 *

SKF23224-2CS5/VT143*球面滚子轴承供应商

八零动力专业销售23224-2CS5/VT143*球面滚子轴承,库存SKF23224-2CS5/VT143*大量现货,与SKF合作,咨询热线:022-58519723业务咨询
SKF23224-2CS5/VT143*它的径向跳动控制,达到了行业顶尖水平 给您意想不到的顺畅体验,品质卓越的它,在各种工况下都能展现出优异的性能它的抗冲击性能,让它经得起各种考验 旋转不息转动世界的精密之选,,八零动力SKF球面滚子轴承品种全,价格优,质量有保证!

用户关注最多的SKF轴承型号

SKF24124CCK30/W33* SKF2x7207BECBM* SKF6092 SKF61930MA SKF71956ACD/P4A SKFCR1200521 SKFCR150x170x15CRSH1R SKFFY2.3/16TF/VA201 SKFMB34 SKFNK70/35 SKFNU318ECP SKFQJ307N2MA* SKFSNW8x1.5/16 SKFSYE1.1/2-3 SKFTU50FM

23224-2CS5/VT143*球面滚子轴承近似的SKF轴承型号

SKF23224CCK/W33+AHX3224G* SKF23224CC/W33* SKF23224-2CS5/VT143* SKF23224-2CS5K/VT143* SKF23224CCK/W33* SKF23224CCK/W33+H2324 SKF23224-2CS5K/VT143* SKF23224CCK/W33

用户关注最多的轴承狗热门型号

NSK  60BER19H BARDEN  7038C/DF SKF  FY2.FM SKF  23026CCK/W33 KOYO  3210A TIMKEN  3984/3920 国产  NN2326X2 LYC  NN 3076 K/P4W33 NACHI  7304DF FAG  BND3030-H-C-Y-AL-S INA  KWVE35-B-S SKF  N1892M2P/HB3 BARDEN  7214AC FAG  SNV130-L + 2215-K-TVH-C3 + H315X207 + TCV515X207 NTN  6032-2Z

版权所有©2009-2015 轴承狗zcgou.com ICP备案:津ICP备14004550号-13