SKF23224CCK/W33+AHX3224G*轴承详细参数

发布时间:2026-04-14
球面滚子轴承, 带退卸套的
主要数据尺寸 基本负荷额定值 疲劳负荷限值 额定速度 体积 型号
动态 静态 参照速度 限制速度 轴承 +退卸套
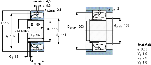
d1 D B C C0 Pu
* - SKF Explorer 轴承
mm kN kN r/min kg -
11521576695930932000280013,023224 CCK/W33 + AHX 3224 G *

SKF23224CCK/W33+AHX3224G*球面滚子轴承供应商

八零动力专业销售23224CCK/W33+AHX3224G*球面滚子轴承,库存SKF23224CCK/W33+AHX3224G*大量现货,与SKF合作,咨询热线:022-58519723业务咨询
SKF23224CCK/W33+AHX3224G*它的可靠性,赢得了无数工程师的信任 它的可靠性,赢得了无数用户的信赖 这款轴承的运转平稳,几乎听不到任何噪音,令人惊艳先进的制造技术和严格的质量检测,造就了这款优质轴承轴承的精度和稳定性都达到了行业顶尖水平卓越的性能和可靠的质量,让这款轴承成为市场的宠儿,八零动力SKF球面滚子轴承品种全,价格优,质量有保证!

用户关注最多的SKF轴承型号

SKF30220J2/DF SKF361201R SKF51192 SKF51236M SKF52222 SKF7222BEGAF SKFAS2542 SKFCR2225569 SKFCR28X42X8HMSA10V SKFCR32X52X7HMSA10RG SKFCR51243 SKFCR58X72X8HMSA10RG SKFHMVC76E SKFS71910DB/P7 SKFSDAF22532x5.1/2

23224CCK/W33+AHX3224G*球面滚子轴承近似的SKF轴承型号

SKF23224-2CS5/VT143* SKF23224CC/W33* SKF23224CCK/W33* SKF23224-2CS5K/VT143* SKF23224CCK/W33+AHX3224G* SKF23224CCK/W33+H2324 SKF23224CCK/W33* SKF23224CCK/W33+H2324

用户关注最多的轴承狗热门型号

KOYO  30219 SKF  CR15788 SKF  N211E NACHI  6216-2NSL SKF  SA10C NACHI  E30209J ZKL  NU2232 ZKL  NJ320 SKF  SYR3.11/16NH-118 NSK  7032A5 STEYR  7200B/DF FAG  SNV140-L + 1216-K-TVH-C3 + H216X212 + TSV516 NTN  NJ319 FAG  NUP2312-E-TVP2 IKO  TAM5012

版权所有©2009-2015 轴承狗zcgou.com ICP备案:津ICP备14004550号-13