SKF23188CA/W33*轴承详细参数

发布时间:2026-05-30
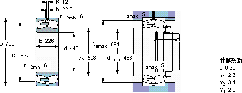
球面滚子轴承, 圆柱和圆锥孔, 圆柱型内孔, 无密封件
主要数据尺寸 基本负荷额定值 疲劳负荷限值 额定速度 体积 型号
动态 静态 参照速度 限制速度
d D B C C0 Pu * - SKF Explorer 轴承
mm kN kN r/min kg -
44072022660001000067045085036023188 CA/W33 *

SKF23188CA/W33*球面滚子轴承供应商

八零动力专业销售23188CA/W33*球面滚子轴承,库存SKF23188CA/W33*大量现货,与SKF合作,咨询热线:022-58519723业务咨询
SKF23188CA/W33*质量无可比拟的轴承,在行业内树立了良好的品质标杆它的耐腐蚀性,减少了维护成本 它的轻量化设计,减少了材料的使用 它的抗磨损涂层,让它更加耐用 设计合理、性能优良的它,是机械设备实现高效运行的重要保障制造工艺精湛,使得这款轴承的精度、稳定性和耐用性都非常出色,八零动力SKF球面滚子轴承品种全,价格优,质量有保证!

用户关注最多的SKF轴承型号

SKF23224CCK/W33+AHX3224G* SKF315599A SKF4580/2/4535/2/Q SKF612129A SKF6200-RZ SKF7321BECAM SKFCR10X20X7HMS5RG SKFCR14759 SKFCR3103 SKFGE25ES-2RS SKFNCF3004CV SKFNJ318E+HJ318E SKFNNU4124M/W33 SKFNU2316ECML* SKFNUP319ECP*

23188CA/W33*球面滚子轴承近似的SKF轴承型号

SKF23188CAK/W33+OH3188H* SKF23188CAK/W33+AOHX3188G* SKF23188CAK/W33* SKF23188CA/W33* SKF23188CA/W33 SKF2318K

用户关注最多的轴承狗热门型号

TIMKEN  9120K NACHI  53211U NSK  1210 LYC  NN 3028 K/P5W33 INA  GE300-UK-2RS KOYO  29320 NSK  NJ312ET NACHI  6901NR SNR  7205AC NSK  LM607225-1 LYC  111.28.800.12 LYC  1797/3230G2Y4 LYC  23180/C3 TORRINGTON  23222CCK/W33+H2322 LYC  23072

版权所有©2009-2015 轴承狗zcgou.com ICP备案:津ICP备14004550号-13