SKF231/630CA/W33轴承详细参数

发布时间:2026-04-14
球面滚子轴承, 圆柱和圆锥孔, 圆柱型内孔, 无密封件
主要数据尺寸 基本负荷额定值 疲劳负荷限值 额定速度 体积 型号
动态 静态 参照速度 限制速度
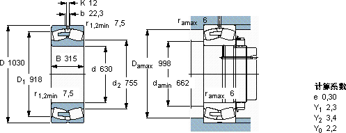
d D B C C0 Pu
mm kN kN r/min kg -
6301030315105002080012202605301050231/630 CA/W33

SKF231/630CA/W33球面滚子轴承供应商

八零动力专业销售231/630CA/W33球面滚子轴承,库存SKF231/630CA/W33大量现货,与SKF合作,咨询热线:022-58519723业务咨询
SKF231/630CA/W33为您的机械注入强大动力,承载未来以卓越品质顺滑无声它的精密制造工艺,让人叹为观止 它的质量过硬,为机械设备的高效、安全运行提供了保障,八零动力SKF球面滚子轴承品种全,价格优,质量有保证!

用户关注最多的SKF轴承型号

SKF22248CCK/W33* SKF23268CACK/W33+H3268 SKF313015DC SKF32310J2/Q SKF6211-RS1* SKFBS2B242989 SKFFYM1.3/4TF SKFIR25x30x16IS1 SKFNCF2924CV SKFNNU4992BK/SPW33 SKFPCM606530M SKFS71921ACD/HCP4A SKFSAF22326 SKFTU30FM SKFW19

231/630CA/W33球面滚子轴承近似的SKF轴承型号

SKF23130CC/W33* SKF231/670CAK/W33+OH31/670H SKF23156CCK/W33* SKF23140CCK/W33+H3140* SKF231/710CAK/W33 SKFBS2-2316-2CS/VT143* SKF22310EK* SKF231/710CAK/W33+OH31/710H SKF23152CC/W33* SKF22314EK+AHX2314G* SKF231/630CAK/W33 SKF231/670CAK/W33+AOH31/670

用户关注最多的轴承狗热门型号

TORRINGTON  AS3047 NACHI  2219 TIMKEN  MB23 FAG  BND3256-Z-Y-AF-S NACHI  25577/25523 SKF  BA1B307788 SKF  23040CC/W33 TORRINGTON  23030CCK/33+H3030 INA  81115-TV INA  KR16 NTN  K10×13×13 SKF  51110 FAG  SNV085-L + 22209-E1-K + H309X107 + FSV509X107 INA  TME50-N IKO  CF6VBUU

版权所有©2009-2015 轴承狗zcgou.com ICP备案:津ICP备14004550号-13