SKF22314EK+H2314*轴承详细参数

发布时间:2026-04-14
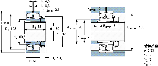
球面滚子轴承, 带紧定套的
主要数据尺寸 基本负荷额定值 疲劳负荷限值 额定速度 体积 型号
动态 静态 参照速度 限制速度 轴承 + 紧定套
d1 D B C C0 Pu
* - SKF Explorer 轴承
mm kN kN r/min kg -
601505140043045340045005,3522314 EK + H 2314 *

SKF22314EK+H2314*球面滚子轴承供应商

八零动力专业销售22314EK+H2314*球面滚子轴承,库存SKF22314EK+H2314*大量现货,与SKF合作,咨询热线:022-58519723业务咨询
SKF22314EK+H2314*零误差起步这款轴承的精度极高,能够满足对精度要求苛刻的设备它在船舶工业中的应用,展现了它的耐腐蚀性 它的密封性能,完美抵御灰尘和杂质的侵袭 它在矿山设备中的应用,确保了设备的高负载能力 制造工艺精湛,使得这款轴承在运转时更加顺畅平稳,八零动力SKF球面滚子轴承品种全,价格优,质量有保证!

用户关注最多的SKF轴承型号

SKF23026CCK/W33 SKF61804-2RS1 SKF629-2RSL* SKF7217CD/P4A SKFAHX2324/110G SKFBA1B311576 SKFBT4B332078/HA4 SKFC3984M* SKFCR22340 SKFCR99267 SKFNJ321E SKFNNU49/600B/SPW33X SKFSNW140x7.1/8 SKFSYR3.11/16H-3 SKFYEL211-203-2FCW

22314EK+H2314*球面滚子轴承近似的SKF轴承型号

SKF22314E* SKF22314EK/VA405* SKF22314E/VA405* SKF22314EK+AHX2314G* SKF22314EK* SKF22314EK+H2314* SKF22314EK+AHX2314G* SKF22314EK/VA405*

用户关注最多的轴承狗热门型号

国产  382048 FAG  SNV100-L + 1309-K-TVH-C3 + H309X109 + DHV609 LYC  22236 K/C3 KOYO  7232C SKF  SYE2.3/16-18 KOYO  7019C SKF  NU210E SKF  PL530 INA  WS81113 TIMKEN  L630349/L630310-B NTN  NN4960K FAG  SNV200-L + 1222-K-M-C3 + H222X314 + TSV522X314 FAG  SNV240-L + 2322-M + DHV222 IKO  NAG4928 IKO  LM355270UU

版权所有©2009-2015 轴承狗zcgou.com ICP备案:津ICP备14004550号-13