SKF231/710CAK/W33+OH31/710H轴承详细参数

发布时间:2026-04-09
球面滚子轴承, 带紧定套的
主要数据尺寸 基本负荷额定值 疲劳负荷限值 额定速度 体积 型号
动态 静态 参照速度 限制速度 轴承 + 紧定套
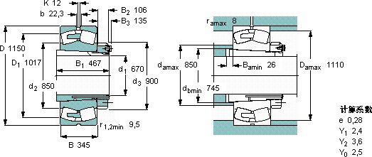
d1 D B C C0 Pu
mm kN kN r/min kg -
6701150345122002600015302404501750231/710 CAK/W33 + OH 31/710 H

SKF231/710CAK/W33+OH31/710H球面滚子轴承供应商

八零动力专业销售231/710CAK/W33+OH31/710H球面滚子轴承,库存SKF231/710CAK/W33+OH31/710H大量现货,与SKF合作,咨询热线:022-58519723业务咨询
SKF231/710CAK/W33+OH31/710H打造出了性能卓越的这款轴承,该轴承的精度控制达到了极致这款轴承的稳定性极佳,在长时间运行中也能保持良好状态是您机械世界里的不败功臣,为您创造更多可能,它在风力发电中的应用,为清洁能源贡献力量 这款轴承的性能卓越,有效提高了设备的运行可靠性,八零动力SKF球面滚子轴承品种全,价格优,质量有保证!

用户关注最多的SKF轴承型号

SKF22318CC/W33 SKF23980CCK/W33+OH3980H* SKF6207-2Z* SKFC4015K30V* SKFCR21763 SKFCR50x80x8CRW1V SKFCR38774 SKFCR85x110x13CRSA1R SKFCRM40AMB SKFGEZM312ES SKFOKC660 SKFRN-4x23.8BF/G2 SKFS7013CD/HCP4A SKFS7018DB/P7 SKFSC71917DB/P7

231/710CAK/W33+OH31/710H球面滚子轴承近似的SKF轴承型号

SKF23132CCK/W33+AH3132G* SKF23126CCK/W33+AHX3126* SKF23152-2CS5K/VT143* SKF231/800CAK/W33 SKF22313EK/VA405* SKF231/600CAK/W33* SKF22311E* SKF231/850CA/W33 SKF23124CCK/W33+AHX3124* SKF231/750CAK/W33+OH31/750H SKF231/710CAK/W33+AOH31/710 SKF231/710CAK/W33

用户关注最多的轴承狗热门型号

NSK  N226W FAG  SD3188-H-TS-BF-L + 231SM410-MA SKF  TU45FM LYC  22209 CA/W33 国产  61902-2RS SKF  NU1036 KOYO  46280A NMB  RI-8516ZZ TIMKEN  39250/39422 国产  61912-RS LYC  572/710/P5 KOYO  53407U SKF  NUP309E IKO  CFE10BUUR IKO  CF24-1VB

版权所有©2009-2015 轴承狗zcgou.com ICP备案:津ICP备14004550号-13