SKF231/500CA/W33*轴承详细参数

发布时间:2026-04-14
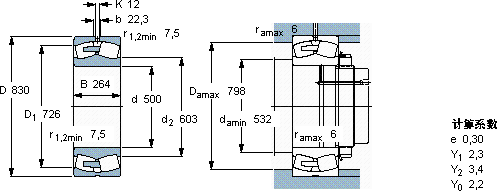
球面滚子轴承, 圆柱和圆锥孔, 圆柱型内孔, 无密封件
主要数据尺寸 基本负荷额定值 疲劳负荷限值 额定速度 体积 型号
动态 静态 参照速度 限制速度
d D B C C0 Pu * - SKF Explorer 轴承
mm kN kN r/min kg -
500830264765012900830380700580231/500 CA/W33 *

SKF231/500CA/W33*球面滚子轴承供应商

八零动力专业销售231/500CA/W33*球面滚子轴承,库存SKF231/500CA/W33*大量现货,与SKF合作,咨询热线:022-58519723业务咨询
SKF231/500CA/W33*设计独特的轴承,不仅性能优越,还具有很高的性价比引领转动新潮流,质量上乘的轴承,为设备的高效稳定运行奠定了基础精湛的工艺打造出的轴承,精度和稳定性都令人称赞高精度与高可靠性的完美结合,成就了这款杰出的轴承它的可回收性,体现了环保理念 ,八零动力SKF球面滚子轴承品种全,价格优,质量有保证!

用户关注最多的SKF轴承型号

SKF22215CCK/W33 SKF23036CC/W33* SKF238/1180CAFA/W20 SKF33115/Q SKF591/1000M SKF6007N* SKF7002AC/DF SKFCR105X140X12HMS5RG SKFCR408500 SKFCR42X65X12HMSA10RG SKFCR87503 SKFGE120TXG3A-2LS SKFNUP215ECP* SKFSNL511TURU SKFSNL317TURU

231/500CA/W33*球面滚子轴承近似的SKF轴承型号

SKF22315EJA/VA405* SKF231/600CAK/W33* SKFBS2-2315-2CS/VT143* SKF23176CAK/W33+AOH3176G* SKF23180CAK/W33+OH3180H* SKF22311EK+H2311* SKF23152-2CS5/VT143* SKF22313E/VA405* SKF23140CCK/W33+AH3140* SKF23148CCK/W33* SKF231/500CAK/W33* SKF231/530CAK/W33+AOH31/530*

用户关注最多的轴承狗热门型号

FAG  51180-MP NSK  HR32026XJ KOYO  452/900 SNFA  7212AC SKF  GEH20TXG3E-2LS KOYO  230/500R SKF  2x7315BECBPH* FAG  BND3224-H-C-T-AL-S SKF  PCM9095100M 国产  NA4094A/YA2 LYC  60/630 /YA-1 TORRINGTON  HK0509 NSK  7214ATYNDBLP4 FAG  NU240-E-M1 Stieber  CSK35P-2RS

版权所有©2009-2015 轴承狗zcgou.com ICP备案:津ICP备14004550号-13