SKF23192CAK/W33*轴承详细参数

发布时间:2026-04-14
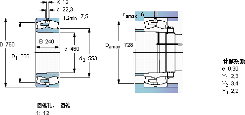
球面滚子轴承, 圆柱和圆锥孔, 圆锥型内孔, 无密封件
主要数据尺寸 基本负荷额定值 疲劳负荷限值 额定速度 体积 型号
动态 静态 参照速度 限制速度
d D B C C0 Pu * - SKF Explorer 轴承
mm kN kN r/min kg -
46076024064001080068043080042523192 CAK/W33 *

SKF23192CAK/W33*球面滚子轴承供应商

八零动力专业销售23192CAK/W33*球面滚子轴承,库存SKF23192CAK/W33*大量现货,与SKF合作,咨询热线:022-58519723业务咨询
SKF23192CAK/W33*先进的制造技术和严格的质量控制,造就了这款优质轴承它在机床设备中的应用,确保了加工精度 卓越的设计和可靠的性能,是这款轴承的两大亮点每一次转动都是精准与力量的完美呈现,它在矿山设备中的应用,确保了设备的高负载能力 它的抗冲击性能,让它经得起各种考验 ,八零动力SKF球面滚子轴承品种全,价格优,质量有保证!

用户关注最多的SKF轴承型号

SKF21316EK* SKF544091/2B/544118A/2B SKF71921CD/P4A SKF7210C/DF SKF7334BCBM SKFBT4B332997B/HA1 SKFFYRP2.3/4-18 SKFNATR8PPA SKFNJ422+HJ422 SKFNUP212ECJ* SKFNU3240ECM SKFRNAO50x65x20 SKFQJ221 SKFSNL3068 SKFSYH1.5/8TF/AH

23192CAK/W33*球面滚子轴承近似的SKF轴承型号

SKF23192CAK/W33+AOHX3192G* SKF23192CAK/W33* SKF23192CA/W33* SKF23192CAK/W33+OH3192H* SKF23192CAC/W33 SKF23192CAK/W33+AOHX3192G*

用户关注最多的轴承狗热门型号

NSK  RLM293820-1 SKF  H322 TIMKEN  399D/394A SKF  6409N SKF  51206V/HR11T1 国产  6213-2RS1 RHP  7208C/DB NSK  22228CDE4 LYC  011.15.279.03 NSK  6317VV SKF  NNU41/500K30M/W33 NTN  N206 SKF  CR402206 SKF  NUP318E IKO  NAU4928UU

版权所有©2009-2015 轴承狗zcgou.com ICP备案:津ICP备14004550号-13