SKF23180CAK/W33*轴承详细参数

发布时间:2026-05-30
球面滚子轴承, 圆柱和圆锥孔, 圆锥型内孔, 无密封件
主要数据尺寸 基本负荷额定值 疲劳负荷限值 额定速度 体积 型号
动态 静态 参照速度 限制速度
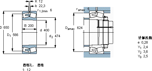
d D B C C0 Pu * - SKF Explorer 轴承
mm kN kN r/min kg -
4006502004650765053053095025523180 CAK/W33 *

SKF23180CAK/W33*球面滚子轴承供应商

八零动力专业销售23180CAK/W33*球面滚子轴承,库存SKF23180CAK/W33*大量现货,与SKF合作,咨询热线:022-58519723业务咨询
SKF23180CAK/W33*高品质的轴承,在复杂工况下也能展现出卓越的性能这轴承的选材讲究,坚固耐用,寿命远超同类产品它的品质卓越,是提升机械设备整体性能的关键所在设计合理、性能优良的它,是机械设备稳定运行的重要保障它的抗变形能力,让它在高负载下依然保持形状 它在风力发电中的应用,为清洁能源贡献力量 ,八零动力SKF球面滚子轴承品种全,价格优,质量有保证!

用户关注最多的SKF轴承型号

SKF1726310-2RS1 SKF537/532X/Q SKF618/710 SKF7218AC SKF7322BECBY SKFBC4B457929VCA SKFKR32B SKFN1019KTNHA/SP SKFNJ2213E SKFNU2260MA SKFNU2348ECMA SKFOKC1000 SKFPWM607060 SKFSYH1.11/16FM SKFSYNT60F

23180CAK/W33*球面滚子轴承近似的SKF轴承型号

SKF23180CAK/W33+OH3180H* SKF23180CAK/W33+AOH3180G* SKF23180CA/W33* SKF23180CAK/W33* SKF23180CAC/W33 SKF23180CAK/W33+AOH3180G*

用户关注最多的轴承狗热门型号

FAG  SNV150-L + 21314-E1 + FSV214 INA  PAPZ2420-P10 ZKL  NJ2205 LYC  32004/内组件 SKF  353108AU SKF  51104V/HR11Q1 LYC  22238 CK/C3 INA  LS4565 NTN  32038XUE1 SKF  314420/VJ202 NTN  6222-RS LYC  3720 FAG  SNV090-L + 2210-TVH + TSV210 SKF  CR22X47X7HMSA10V FAG  6221-2Z

版权所有©2009-2015 轴承狗zcgou.com ICP备案:津ICP备14004550号-13