SKF230/950CA/W33轴承详细参数

发布时间:2026-05-29
球面滚子轴承, 圆柱和圆锥孔, 圆柱型内孔, 无密封件
主要数据尺寸 基本负荷额定值 疲劳负荷限值 额定速度 体积 型号
动态 静态 参照速度 限制速度
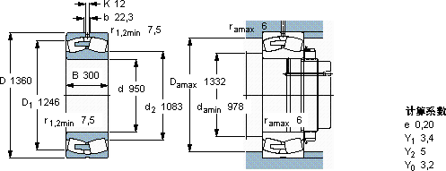
d D B C C0 Pu
mm kN kN r/min kg -
9501360300120002850016002003801450230/950 CA/W33

SKF230/950CA/W33球面滚子轴承供应商

八零动力专业销售230/950CA/W33球面滚子轴承,库存SKF230/950CA/W33大量现货,与SKF合作,咨询热线:022-58519723业务咨询
SKF230/950CA/W33它的多样化应用,展现了它的无限可能 它的每一次转动,都是对效率的极致追求 它的耐腐蚀性,让它经久不衰 它在航空航天领域的应用,展现了它的高可靠性 它在冶金设备中的应用,确保了设备的高温性能 卓越的性能表现,使这款轴承在市场上拥有良好的口碑,八零动力SKF球面滚子轴承品种全,价格优,质量有保证!

用户关注最多的SKF轴承型号

SKF1306EKTN9+H306 SKF6011* SKF60/630 SKFCR19569 SKFCR20X32X7HMS5V SKFCR60X90X10HMSA10RG SKFCR68x90x8CRW1R SKFFYT1.1/2TF/VA201 SKFHM88542/2/510/2/QCL7C SKFNK10/12 SKFPCZ1208M SKFSAF23034KAx5.7/8 SKFQJ310MA SKFRNA4848 SKFSILKAC10M

230/950CA/W33球面滚子轴承近似的SKF轴承型号

SKF23026-2CS5K/VT143* SKF23060CCK/W33* SKF23026CCK/W33* SKF230/500CAK/W33+AOHX30/500G* SKF22230CCK/W33* SKF230/500CAK/W33+OH30/500H* SKF23022CCK/W33* SKF23080CC/W33* SKF230/1060CAKF/W33 SKF23068CCK/W33* SKF230/950CAK/W33 SKF2310

用户关注最多的轴承狗热门型号

SKF  LR22x28x20.5 FYH  UEL314 RHP  7044C/DT 国产  61905-RS FAG  AH39/850G-H FAG  SNV170-L + 22316-E1-K + H2316X212 + TSV616 LYC  NU 240 M 国产  22224K TIMKEN  33889/33821DC/X1S-33889 NACHI  6311-2NKE FAG  BND3036-H-C-Y-AL-S KOYO  3306A INA  PCF20 NTN  NJ209E IKO  KT698N

版权所有©2009-2015 轴承狗zcgou.com ICP备案:津ICP备14004550号-13