SKF23092CA/W33*轴承详细参数

发布时间:2026-05-30
球面滚子轴承, 圆柱和圆锥孔, 圆柱型内孔, 无密封件
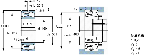
主要数据尺寸 基本负荷额定值 疲劳负荷限值 额定速度 体积 型号
动态 静态 参照速度 限制速度
d D B C C0 Pu * - SKF Explorer 轴承
mm kN kN r/min kg -
4606801633900695046556095020523092 CA/W33 *

SKF23092CA/W33*球面滚子轴承供应商

八零动力专业销售23092CA/W33*球面滚子轴承,库存SKF23092CA/W33*大量现货,与SKF合作,咨询热线:022-58519723业务咨询
SKF23092CA/W33*从制造工艺到实际性能,这款轴承都表现得十分出色,它的质量卓越,为机械设备的安全运行保驾护航它的轻量化设计,减少了运输成本 它的尺寸精度,达到了微米级的极致 是您值得信赖的工业伙伴,为您的机械保驾护航设计合理、性能优良的它,是机械设备实现高效运行的重要保障,八零动力SKF球面滚子轴承品种全,价格优,质量有保证!

用户关注最多的SKF轴承型号

SKF29422 SKF7208AC SKFC4038V* SKFC71911FB/P7 SKFCR23659 SKFCR40x75x8CRW1V SKFFYKC20NTR/VE495 SKFFYR3.15/16 SKFNJ309ECP SKFNUP328ECM* SKFQJ208MA* SKFQJ322N2MA SKFS71914CD/HCP4A SKFSAF22622x3.13/16 SKFSC71920DB/P7

23092CA/W33*球面滚子轴承近似的SKF轴承型号

SKF23092CAK/W33+AOHX3092G* SKF23092CA/W33* SKF23092CAK/W33* SKF23092CAK/W33+OH3092H* SKF23092CA/W33 SKF230/950CA/W33

用户关注最多的轴承狗热门型号

SKF  CRMVR2-25 TIMKEN  230RN03 LYC  1311/C3 TORRINGTON  23068CACK/W33+H3068 LYC  63/28 E-RS/P6 SKF  313816 BARDEN  7017C/DT LYC  6306 E-2RZ/P6Z1 FAG  BND3256-H-C-T-BF-S SKF  RN-5x34.8BF/G2 FAG  SNV110-L + 20310-TVP + FSV310 ASAHI  UEL209 SKF  SYE3.1/2H-18 SKF  FSAF22218 IKO  TA4020Z

版权所有©2009-2015 轴承狗zcgou.com ICP备案:津ICP备14004550号-13