SKF23092CAK/W33+OH3092H*轴承详细参数

发布时间:2026-04-14
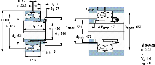
球面滚子轴承, 带紧定套的
主要数据尺寸 基本负荷额定值 疲劳负荷限值 额定速度 体积 型号
动态 静态 参照速度 限制速度 轴承 + 紧定套
d1 D B C C0 Pu
* - SKF Explorer 轴承
mm kN kN r/min kg -
4306801633900695046556095026523092 CAK/W33 + OH 3092 H *

SKF23092CAK/W33+OH3092H*球面滚子轴承供应商

八零动力专业销售23092CAK/W33+OH3092H*球面滚子轴承,库存SKF23092CAK/W33+OH3092H*大量现货,与SKF合作,咨询热线:022-58519723业务咨询
SKF23092CAK/W33+OH3092H*品质永相随它的滚动体分布均匀,运转平稳无振动 这轴承的设计简直精妙绝伦,每一处细节都彰显着极致的工艺美学是您成功路上的得力助手,设计合理、性能优良的它,是机械设备实现高效运行的重要保障让工作更高效,,八零动力SKF球面滚子轴承品种全,价格优,质量有保证!

用户关注最多的SKF轴承型号

SKF307-2Z SKF51264 SKF6302/HR11QN SKF7308BECBM SKF81148 SKFBC2B322217 SKFCR18817 SKFFY1.1/8TF SKFFY40FM SKFGE50ES-2LS SKFIR5x8x12 SKFLR20x25x16.5 SKFOH3992HE SKFQJ1088N2MA SKFYAT203-008

23092CAK/W33+OH3092H*球面滚子轴承近似的SKF轴承型号

SKF23092CAK/W33+OH3092H* SKF23092CA/W33* SKF23092CAK/W33+AOHX3092G* SKF23092CAK/W33* SKF23092CAK/W33+AOHX3092G* SKF23092CA/W33

用户关注最多的轴承狗热门型号

RIV  N2318 TIMKEN  535/532A TIMKEN  LM287649D/LM287610 LYC  30238 STEYR  NUP2207 NSK  HR30310C MRC  6224 LYC  352213 FYH  UKP212+H2312 国产  BJ2212M INA  KA.LFS86-C NTN  60/22-2RS SKF  W6300-2RS1 FAG  SNV200-L + 23222-E1-K-TVPB + H2322X312 + DH522X312 IKO  NAST10ZZ

版权所有©2009-2015 轴承狗zcgou.com ICP备案:津ICP备14004550号-13