SKF230/710CAK/W33*轴承详细参数

发布时间:2026-05-30
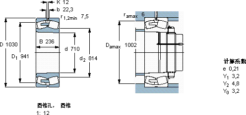
球面滚子轴承, 圆柱和圆锥孔, 圆锥型内孔, 无密封件
主要数据尺寸 基本负荷额定值 疲劳负荷限值 额定速度 体积 型号
动态 静态 参照速度 限制速度
d D B C C0 Pu * - SKF Explorer 轴承
mm kN kN r/min kg -
71010302368300163001000320560650230/710 CAK/W33 *

SKF230/710CAK/W33*球面滚子轴承供应商

八零动力专业销售230/710CAK/W33*球面滚子轴承,库存SKF230/710CAK/W33*大量现货,与SKF合作,咨询热线:022-58519723业务咨询
SKF230/710CAK/W33*匠心制造这轴承的精度控制令人佩服,为设备的精准运行提供了保障这款轴承的性能卓越,有效提升了设备的整体性能和可靠性优秀的设计理念和精湛的制造工艺,成就了这款优秀的轴承制造工艺精湛,使得这款轴承在运转时更加顺畅平稳它在轨道交通中的应用,确保了列车的安全运行 ,八零动力SKF球面滚子轴承品种全,价格优,质量有保证!

用户关注最多的SKF轴承型号

SKF2307EKTN9 SKF51408 SKF7205ACD/P4A SKF7312BEGBY SKF7314B/DB SKF81234M SKFC2215KV+AH315G* SKFCR2700558 SKFCR73745 SKFGEC360TXA-2RS SKFNU230ECM* SKFNUP214ECP* SKFPCMF121407E SKFPWM404860 SKFSAF22312

230/710CAK/W33*球面滚子轴承近似的SKF轴承型号

SKF23044-2CS5/VT143* SKF23028-2CS5/VT143* SKF23032CC/W33* SKF23028CCK/W33+AHX3028* SKF23040CCK/W33+AH3040G* SKF23034-2CS5/VT143* SKF23072CC/W33* SKF23088CAK/W33+OH3088H* SKF230/530CAK/W33+AOH30/530* SKF23040-2CS5/VT143* SKF230/710CAK/W33+OH30/710H* SKF230/710CA/W33*

用户关注最多的轴承狗热门型号

国产  3316AM SKF  BC2B322191 FAG  SNV200-L + 22222-E1-K + H322X400 + TSV522X400 INA  KWVE25-B-H LYC  32228/P5 NSK  7228CTYNDBLP4 FAG  H3376-HG FAG  HS7018-E-T-P4S SKF  33016 国产  NAV4010 FAG  SNV320-L + 22330-E1 + TSV330 NMB  RF-1980 SNR  63/32-2RS LYC  NJ 307/P4 TIMKEN  241/500YMB

版权所有©2009-2015 轴承狗zcgou.com ICP备案:津ICP备14004550号-13