SKF23092CAK/W33*轴承详细参数

发布时间:2026-04-15
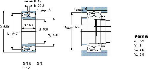
球面滚子轴承, 圆柱和圆锥孔, 圆锥型内孔, 无密封件
主要数据尺寸 基本负荷额定值 疲劳负荷限值 额定速度 体积 型号
动态 静态 参照速度 限制速度
d D B C C0 Pu * - SKF Explorer 轴承
mm kN kN r/min kg -
4606801633900695046556095020023092 CAK/W33 *

SKF23092CAK/W33*球面滚子轴承供应商

八零动力专业销售23092CAK/W33*球面滚子轴承,库存SKF23092CAK/W33*大量现货,与SKF合作,咨询热线:022-58519723业务咨询
SKF23092CAK/W33*它的长寿命,减少了更换频率 您值得拥有它在农业机械中的应用,展现了它的耐用性 它的微观表面处理,减少了摩擦和磨损 这轴承的精度控制令人佩服,为设备的精准运行提供了保障设计独特的轴承,不仅性能优越,还具有很高的性价比,八零动力SKF球面滚子轴承品种全,价格优,质量有保证!

用户关注最多的SKF轴承型号

SKF23022CC/W33 SKF305-2ZNR SKF332313 SKF722511DB SKFBVNB328601/HA1 SKFCR33X45X7HMS5V SKFCR45X85X10HMSA10V SKFNK38/20 SKFNK6/12TN SKFNNU4952BK/SPW33 SKFNU10/600MA SKFNU2312ECM* SKFP1.5/16WF SKFPCM222530B SKFSC71916DB/P7

23092CAK/W33*球面滚子轴承近似的SKF轴承型号

SKF23092CAK/W33+AOHX3092G* SKF23092CAK/W33* SKF23092CAK/W33+OH3092H* SKF23092CA/W33* SKF23092CAC/W33 SKF23092CAK/W33+AOHX3092G*

用户关注最多的轴承狗热门型号

STEYR  2306K LYC  NJ 312 E TIMKEN  K14X18X15 SKF  SNL3076GF TIMKEN  369-S/363D+X1S-369A SKF  NJ304ECP SKF  NJ328E SKF  NJ238E NACHI  NJ2252 LYC  6205 E-2RZ/C3 LYC  629 ZZ SKF  NJ2236ECMA TORRINGTON  23222CCK/W33+H2322 KOYO  2215 LYC  GEG100ES-2RS

版权所有©2009-2015 轴承狗zcgou.com ICP备案:津ICP备14004550号-13