SKF23084CAK/W33*轴承详细参数

发布时间:2026-05-30
球面滚子轴承, 圆柱和圆锥孔, 圆锥型内孔, 无密封件
主要数据尺寸 基本负荷额定值 疲劳负荷限值 额定速度 体积 型号
动态 静态 参照速度 限制速度
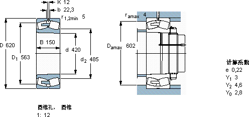
d D B C C0 Pu * - SKF Explorer 轴承
mm kN kN r/min kg -
42062015034006000415600110015023084 CAK/W33 *

SKF23084CAK/W33*球面滚子轴承供应商

八零动力专业销售23084CAK/W33*球面滚子轴承,库存SKF23084CAK/W33*大量现货,与SKF合作,咨询热线:022-58519723业务咨询
SKF23084CAK/W33*精湛的制造工艺赋予了这款轴承卓越的性能和品质 优秀的设计让这款轴承在运行时更加高效节能它的圆度误差几乎可以忽略不计 它的模块化设计,让安装和更换变得轻松便捷 制造工艺精湛,使得这款轴承的精度、稳定性和耐用性都非常出色这款轴承的运转平稳,几乎听不到任何噪音,令人惊艳,八零动力SKF球面滚子轴承品种全,价格优,质量有保证!

用户关注最多的SKF轴承型号

SKF6201-2Z* SKF7007ACE/HCP4A SKF811/670M SKFC30/530KM* SKFCR19306 SKFCR20X40X10HMS5V SKFFYR2.3/4H SKFK75x81x20 SKFNJ234E SKFNNU4938B/SPW33 SKFNUP226ECP* SKFP20WF SKFSCF100ES SKFSYE2.15/16 SKFSYH1/2RM

23084CAK/W33*球面滚子轴承近似的SKF轴承型号

SKF23084CAK/W33+OH3084H* SKF23084CA/W33* SKF23084CAK/W33* SKF23084CAK/W33+AOH3084G* SKF23084CAC/W33 SKF23084CAK/W33+AOH3084G*

用户关注最多的轴承狗热门型号

TIMKEN  H715341/H715311 国产  61917-RS NSK  232/630CAE4 LYC  FC 3652168-1/C3 SKF  SIL8C SKF  K25x31x21 国产  52944 FAG  SNV062-L + 2305-K-TVH-C3 + H2305X012 + FSV605X012 TIMKEN  T77W SKF  CR1013242 NSK  7210A FAG  SNV260-L + 22324-E1-K + H2324 + FSV524 国产  24034C 国产  B7003C SKF  313-ZNR

版权所有©2009-2015 轴承狗zcgou.com ICP备案:津ICP备14004550号-13