SKF23040-2CS5/VT143*轴承详细参数

发布时间:2026-04-14
球面滚子轴承, 圆柱和圆锥孔, 圆柱型内孔, 两面密封件
主要数据尺寸 基本负荷额定值 疲劳负荷限值 额定速度 体积 型号
动态 静态 参照速度 限制速度
d D B C C0 Pu * - SKF Explorer 轴承
mm kN kN r/min kg -
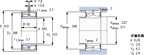
2003108210001530137-48023,323040-2CS5/VT143 *

SKF23040-2CS5/VT143*球面滚子轴承供应商

八零动力专业销售23040-2CS5/VT143*球面滚子轴承,库存SKF23040-2CS5/VT143*大量现货,与SKF合作,咨询热线:022-58519723业务咨询
SKF23040-2CS5/VT143*先进的生产工艺,让这款轴承的性能得到了极大提升其质量上乘,是众多机械设备不可或缺的优质配件它的静音设计,让机械运转如丝般顺滑 它的轴向跳动控制,确保了机械的平稳运行 转动精彩它的润滑技术,减少了润滑剂的使用 ,八零动力SKF球面滚子轴承品种全,价格优,质量有保证!

用户关注最多的SKF轴承型号

SKF23156CAC/W33 SKF30214J2/Q SKFBS2-2216-2CSK/VT143* SKFBT4B332962/HA1 SKFCR20X52X7CRW1P SKFGE200ES SKFHA3034 SKFK160x170x46 SKFN219E SKFNJ2334ECMA SKFNNU4072KM/W33 SKFPCMF353926B SKFPFT40RM SKFQJ240N2MA SKFSYNT75LW

23040-2CS5/VT143*球面滚子轴承近似的SKF轴承型号

SKF23040-2CS5/VT143* SKF23040CC/W33* SKF23040CCK/W33+AH3040G* SKF23040CCK/W33+H3040* SKF23040CCK/W33* SKF23040-2CS5K/VT143* SKF23040-2CS5K/VT143* SKF23040CCK/33+H3040

用户关注最多的轴承狗热门型号

FAG  618/850-M SKF  CR20952 KOYO  NU3211 LYC  89422 X2 INA  GIHRK110-DO STEYR  6310-RS TIMKEN  15125/15251D LYC  23236 CAK/C4W33 国产  NN3007K/W33 NSK  7212ATYNP5 国产  1303 TIMKEN  JLM813049/JLM813010 SKF  7308BECBM SKF  51106V/HR11Q1 IKO  NAG4909

版权所有©2009-2015 轴承狗zcgou.com ICP备案:津ICP备14004550号-13