SKF23040CCK/W33+H3040*轴承详细参数

发布时间:2026-04-26
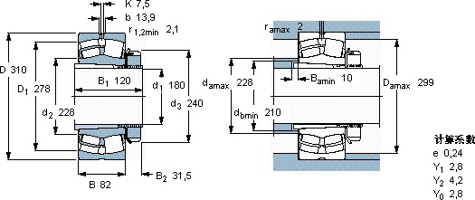
球面滚子轴承, 带紧定套的
主要数据尺寸 基本负荷额定值 疲劳负荷限值 额定速度 体积 型号
动态 静态 参照速度 限制速度 轴承 + 紧定套
d1 D B C C0 Pu
* - SKF Explorer 轴承
mm kN kN r/min kg -
18031082100015301371800220031,723040 CCK/W33 + H 3040 *

SKF23040CCK/W33+H3040*球面滚子轴承供应商

八零动力专业销售23040CCK/W33+H3040*球面滚子轴承,库存SKF23040CCK/W33+H3040*大量现货,与SKF合作,咨询热线:022-58519723业务咨询
SKF23040CCK/W33+H3040*精湛的工艺打造出的轴承,精度和稳定性都令人称赞质量无可比拟的轴承,在行业内树立了良好的品质标杆它的轻量化设计,减少了运输成本 它的滚动体与沟槽的配合,堪称完美 它的每一次转动,都是对效率的极致追求 这轴承的稳定性极佳,即使在恶劣环境下也能正常工作,八零动力SKF球面滚子轴承品种全,价格优,质量有保证!

用户关注最多的SKF轴承型号

SKF1312EKTN9+H312 SKF207-2ZNR SKF231/500CA/W33 SKF239/1180CAF/W33 SKF24076CAC/W33 SKF249/750CAK30/W33 SKF29420E* SKF7209B/DB SKFCR310x350x18HDS2V SKFNNCF4856CV SKFNNU4956B/SPW33 SKFNU2276ECMA SKFPCMS1005001.5M SKFS71919DB/P7 SKFSONL228-528

23040CCK/W33+H3040*球面滚子轴承近似的SKF轴承型号

SKF23040CCK/W33* SKF23040-2CS5/VT143* SKF23040CC/W33* SKF23040CCK/W33+H3040* SKF23040-2CS5K/VT143* SKF23040CCK/W33+AH3040G* SKF23040CCK/W33+AH3040G* SKF23040CC/W33

用户关注最多的轴承狗热门型号

SKF  C71908FB/P7 FAG  LOE234-N-AF-L SKF  SY2.TF NSK  24160CAK30E4 SKF  14137A/14276/Q NACHI  6217-2NSL TIMKEN  23238YM SKF  NU2314E NSK  633 FAG  7007-B-TVP SKF  22313EK+AH2313G* LYC  51318 FAG  SNV260-L + 22324-E1 + DH224 国产  51105 IKO  CR8VR

版权所有©2009-2015 轴承狗zcgou.com ICP备案:津ICP备14004550号-13