SKF5307E-2RS1轴承详细参数

发布时间:2026-05-29
角接触球轴承, 双列, 两面密封件
主要数据尺寸 基本负荷额定值 疲劳负荷限值 额定速度 体积 型号
动态 静态 参照速度 限制速度
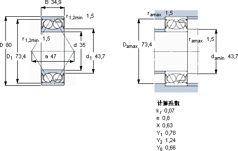
d D B C C0 Pu
mm kN kN r/min kg -
358034,952,3482,04-60000,865307 E-2RS1

SKF5307E-2RS1角接触球轴承供应商

八零动力专业销售5307E-2RS1角接触球轴承,库存SKF5307E-2RS1大量现货,与SKF合作,咨询热线:022-58519723业务咨询
SKF5307E-2RS1成就非凡转动体验让您的设备一顺到底,畅享稳定顺滑的旋转之旅,它的材质选择,体现了对品质的极致追求 优秀的设计让这款轴承在运行时更加高效节能它的抗冲击能力,让它经久不衰 轴承的稳定性和可靠性表现卓越,赢得了广泛赞誉,八零动力SKF角接触球轴承品种全,价格优,质量有保证!

用户关注最多的SKF轴承型号

SKF211-2Z SKF51203V/HR22T2 SKF71915ACE/HCP4A SKF71984BM SKF7210C/DT SKFCR105051 SKFCR1400250 SKFCR51247 SKFCR54300 SKFCR595012 SKFFYT1.11/16TF SKFLS85110 SKFNCF18/710V SKFNNU4956/W33 SKFSYR1.7/16-3

5307E-2RS1角接触球轴承近似的SKF轴承型号

SKF5307E-2Z SKF5307A* SKF5307A-2Z* SKF5307E-2RS1 SKF5307A-2RS1* SKF5307E SKF5307E SKF5307E-2Z

用户关注最多的轴承狗热门型号

MRC  N416 SNR  7244B/DB SKF  7312B/DF SKF  22330-2CS5K/VT143* SKF  W609-2Z SKF  CR528631 FAG  HCB7009-E-2RSD-T-P4S RHP  1216 NACHI  6303NKE INA  GIR35-DO-2RS NTN  NUP230 LYC  22336/C3W33 NTN  NNU4924K LYC  NU 226 EM/C3 FAG  SNV140-L + 1216-K-TVH-C3 + H216X214 + DHV516X214

版权所有©2009-2015 轴承狗zcgou.com ICP备案:津ICP备14004550号-13