SKF23026CCK/W33+AHX3026*轴承详细参数

发布时间:2026-05-30
球面滚子轴承, 带退卸套的
主要数据尺寸 基本负荷额定值 疲劳负荷限值 额定速度 体积 型号
动态 静态 参照速度 限制速度 轴承 +退卸套
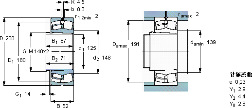
d1 D B C C0 Pu
* - SKF Explorer 轴承
mm kN kN r/min kg -
1252005243061062280036006,7523026 CCK/W33 + AHX 3026 *

SKF23026CCK/W33+AHX3026*球面滚子轴承供应商

八零动力专业销售23026CCK/W33+AHX3026*球面滚子轴承,库存SKF23026CCK/W33+AHX3026*大量现货,与SKF合作,咨询热线:022-58519723业务咨询
SKF23026CCK/W33+AHX3026*它虽小,却是工业革命的基石 轴承的耐用性极佳,能够承受高强度的工作负荷承载未来它的润滑技术,让摩擦降至最低 它在印刷机械中的应用,展现了它的高精度 承载重载历经岁月,八零动力SKF球面滚子轴承品种全,价格优,质量有保证!

用户关注最多的SKF轴承型号

SKF241/670ECAK30/W33+AOH241/670 SKF29488EM SKF6312N* SKF6005/VA201 SKF718/1250AMB SKF7211BECBY SKFBTM120A/P4CDBA SKFCR40x58x8CRW1R SKFCR527806 SKFIR30x35x20 SKFNJ2209ECP* SKFNKXR35 SKFNU320ECML* SKFQJ304 SKFSYM2.3/16TF

23026CCK/W33+AHX3026*球面滚子轴承近似的SKF轴承型号

SKF23026CCK/W33* SKF23026CCK/W33+AHX3026* SKF23026CC/W33* SKF23026-2CS5K/VT143* SKF23026-2CS5/VT143* SKF23026CCK/W33+H3026* SKF23026CCK/W33* SKF23026CCK/W33+H3026*

用户关注最多的轴承狗热门型号

SKF  249/800CA/W33 INA  PAP2550-P10 STEYR  N409 BARDEN  7218AC/DB INA  SCE1012-PP LYC  6306 E-2RZ/P5Z3 NACHI  7215CDB SKF  NK29/20 NSK  23028CDKE4 SKF  FYNT100L FAG  SNV160-L + 21315-E1-K + H315X207 + DHV615X207 INA  GE120-AX NTN  23248CC/W33 SKF  NUP226E SNR  7218C/DF

版权所有©2009-2015 轴承狗zcgou.com ICP备案:津ICP备14004550号-13