SKFCR405303轴承详细参数

发布时间:2026-04-14
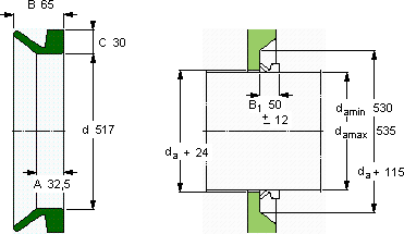
V形环密封件, VR4 设计
V形环密封件
da d A B C
最小 最大
mm mm - - - -
53053551732,56530VR4RCR 405303405303

SKFCR405303V型圈密封供应商

八零动力专业销售CR405303V型圈密封,库存SKFCR405303大量现货,与SKF合作,咨询热线:022-58519723业务咨询
SKFCR405303先进的制造技术,让这款轴承的质量达到了行业领先水平为您创造更多可能,高品质的轴承,在各种复杂环境下都能稳定发挥作用轴承的耐用性极佳,为设备的长期稳定运行提供了保障它的滚动体与沟槽的配合,堪称完美 它的使用寿命,远超同类产品 ,八零动力SKFV型圈密封品种全,价格优,质量有保证!

用户关注最多的SKF轴承型号

SKF231/710CAK/W33 SKF31306 SKF3200A-2RS1TN9/MT33 SKF33113/Q SKF608-RSL* SKF6209-Z* SKF6311* SKF71926CD/HCP4A SKFBEAS025057-2RS SKFBVNB328407/HA1 SKFCR15142 SKFCR27X43X7HMS5V SKFCR36158 SKFCR75X95X12HMS5RG SKFKMTA34

CR405303V型圈密封近似的SKF轴承型号

SKFCR405303 SKFCR405252 SKFCR405403

用户关注最多的轴承狗热门型号

FAG  SD3160-H-TS-AF-L + 23160-B-K-MB NACHI  NJ321 SNR  6320 TIMKEN  77364/77675 FAG  SNV110-L + 21310-E1-K + H310X111 + TCV610X111 LYC  6018 ZZ C3 INA  NATR12 INA  GAY50-NPP-B NTN  7218AC/DB SKF  PWM455360 ASAHI  UCK318 LYC  61892/C3 LYC  618/560 E IKO  AZ355212 IKO  CF6B

版权所有©2009-2015 轴承狗zcgou.com ICP备案:津ICP备14004550号-13