SKF22348CCJA/W33VA405*轴承详细参数

发布时间:2026-04-14
球面滚子轴承, 圆柱和圆锥孔, 圆柱型内孔, 用于振动场合
主要数据尺寸 基本负荷额定值 疲劳负荷限值 额定速度 体积 型号
动态 静态 参照速度 限制速度
d D B C C0 Pu * - SKF Explorer 轴承
mm kN kN r/min kg -
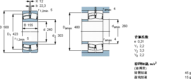
24050015531004000290950130015522348 CCJA/W33VA405 *

SKF22348CCJA/W33VA405*球面滚子轴承供应商

八零动力专业销售22348CCJA/W33VA405*球面滚子轴承,库存SKF22348CCJA/W33VA405*大量现货,与SKF合作,咨询热线:022-58519723业务咨询
SKF22348CCJA/W33VA405*每一次旋转,都是品质的见证,该轴承的性能优越,极大地提高了设备的工作效率轴承的耐用性出色,能够长时间保持良好的工作状态它的轻量化设计,减少了运输成本 它在航空航天领域的应用,展现了它的高可靠性 为设备的精确运行提供了保障,该轴承的精度控制精准,为设备的精确运行提供了保障,八零动力SKF球面滚子轴承品种全,价格优,质量有保证!

用户关注最多的SKF轴承型号

SKF21309CC SKF22314EK+AHX2314G* SKF24080ECCK30J/W33+AOH24080* SKF308-Z SKF7002AC SKF7016CD/HCP4A SKF7213B/DT SKFCR110X130X12HMS5RG SKFCR20X42X10HMSA10V SKFCR40X55X10CRS1R SKFNJ2205ECP SKFPCMF202321.5B SKFPWKR62.2RS SKFSY60PF SKFW626

22348CCJA/W33VA405*球面滚子轴承近似的SKF轴承型号

SKF22348CCJA/W33VA405* SKF22348CCK/W33+OH2348H* SKF22348CCKJA/W33VA405* SKF22348CCK/W33* SKF22348CC/W33* SKF22348CCK/W33+AOH2348* SKF22348CCJA/W33VA405 SKF22348CCKJA/W33VA405*

用户关注最多的轴承狗热门型号

国产  6302-Z SKF  315018C SKF  5308A* LYC  23222 CK/W33 SKF  HM803149/2/QQ0/2/QCL7C SKF  GE40CJ2 INA  PAP2530-P14 NSK  7917CDB MRC  NF226 NTN  7211B/DF LYC  6004 E-2RZ/Z1 NTN  NJ214E+HJ214E LYC  132.50.5000.03K1 SKF  NCF1852V KOYO  53412U

版权所有©2009-2015 轴承狗zcgou.com ICP备案:津ICP备14004550号-13