SKF22348CCK/W33+OH2348H*轴承详细参数

发布时间:2026-04-14
球面滚子轴承, 带紧定套的
主要数据尺寸 基本负荷额定值 疲劳负荷限值 额定速度 体积 型号
动态 静态 参照速度 限制速度 轴承 + 紧定套
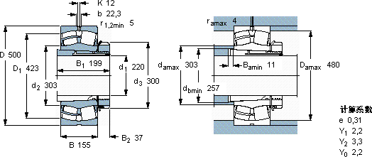
d1 D B C C0 Pu
* - SKF Explorer 轴承
mm kN kN r/min kg -
22050015531004000290950130017022348 CCK/W33 + OH 2348 H *

SKF22348CCK/W33+OH2348H*球面滚子轴承供应商

八零动力专业销售22348CCK/W33+OH2348H*球面滚子轴承,库存SKF22348CCK/W33+OH2348H*大量现货,与SKF合作,咨询热线:022-58519723业务咨询
SKF22348CCK/W33+OH2348H*轴承的耐用性强,减少了设备的停机维护时间它的可回收性,减少了废弃物处理成本 它的多样化应用,展现了它的无限可能 它的几何精度,让机械运转分毫不差 这轴承的质量过硬,经得起时间和高强度工作的考验它的每一次转动,都是对精准度的极致追求 ,八零动力SKF球面滚子轴承品种全,价格优,质量有保证!

用户关注最多的SKF轴承型号

SKF22228CCK/W33+AHX3128* SKF24028CCK30/W33 SKF331590A SKF3316A SKF6008-RS SKF6215-2RS1/HC5C3WT SKF7317BECBY SKFBT4-8018G/HA1VA901 SKFCR17x35x7CRW1V SKFCR87526 SKFHK1814RS SKFK60x66x40ZW SKFNN3024TN9/SP SKFPFD1.3/16RM SKFPWM105120120

22348CCK/W33+OH2348H*球面滚子轴承近似的SKF轴承型号

SKF22348CCK/W33+OH2348H* SKF22348CCK/W33+AOH2348* SKF22348CCJA/W33VA405* SKF22348CCK/W33* SKF22348CCKJA/W33VA405* SKF22348CC/W33* SKF22348CCK/W33+AOH2348* SKF22348CC/W33

用户关注最多的轴承狗热门型号

MAC  NUP206 国产  23056K/W33 NACHI  LM603049/LM603012 SKF  AXK7095 STEYR  7307B INA  81138-M SKF  S71908DB/P7 SKF  CR38x62x8CRW1V SKF  CR25X50X10HMS5V 国产  QJ1064M NSK  NU2304 NACHI  NP340 NSK  62/22NR IKO  CRW1-30 IKO  LME203245NFUU

版权所有©2009-2015 轴承狗zcgou.com ICP备案:津ICP备14004550号-13