SKF22319EK+H2319*轴承详细参数

发布时间:2026-04-15
球面滚子轴承, 带紧定套的
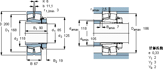
主要数据尺寸 基本负荷额定值 疲劳负荷限值 额定速度 体积 型号
动态 静态 参照速度 限制速度 轴承 + 紧定套
d1 D B C C0 Pu
* - SKF Explorer 轴承
mm kN kN r/min kg -
852006767076573,52600340012,022319 EK + H 2319 *

SKF22319EK+H2319*球面滚子轴承供应商

八零动力专业销售22319EK+H2319*球面滚子轴承,库存SKF22319EK+H2319*大量现货,与SKF合作,咨询热线:022-58519723业务咨询
SKF22319EK+H2319*性能优越的轴承,极大地提高了设备的工作效率和稳定性它在建筑机械中的应用,确保了设备的可靠性 设计合理、性能优良的它,是机械设备稳定运行的重要保障卓越的性能表现,使这款轴承在市场上拥有良好的口碑它的抗拉强度,让它经得起各种考验 持久转动,八零动力SKF球面滚子轴承品种全,价格优,质量有保证!

用户关注最多的SKF轴承型号

SKF16100/HR22Q2 SKF22212EK+AHX312* SKF22248CAC/W33 SKF23156CC/W33 SKF32312J2/Q SKF3308A-2RS1 SKF7016ACD/P4A SKFCR22492 SKFFYTM1.3/4TF SKFH312 SKFN1008KTNHA/SP SKFNJ210ECP SKFNKI70/25 SKFPCM070910B SKFRNA4828

22319EK+H2319*球面滚子轴承近似的SKF轴承型号

SKF22319EJA/VA405* SKF22319EK+AHX2319* SKF22319EK* SKF22319EKJA/VA405* SKF22319EK+H2319* SKF22319E* SKF22319EK+AHX2319* SKF22320CCK/W33

用户关注最多的轴承狗热门型号

STEYR  1212K+H212 LYC  7207 C/P2DB NTN  1204K+H204 INA  K18X24X13 SKF  S7011DB/P7 FAG  HCB7012-E-T-P4S FAG  H240/950-HG LYC  6206 E/Z1 TIMKEN  JF7049/JF7010 NSK  6812N NTN  16068 NTN  NU209 RHP  NU2308 SKF  71938C/DF IKO  LWESC25...SL.../U

版权所有©2009-2015 轴承狗zcgou.com ICP备案:津ICP备14004550号-13