SKF22319E*轴承详细参数

发布时间:2026-04-15
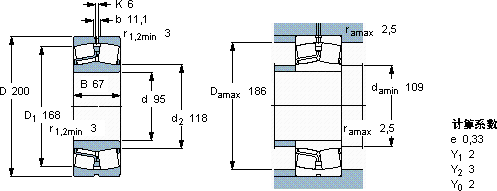
球面滚子轴承, 圆柱和圆锥孔, 圆柱型内孔, 无密封件
主要数据尺寸 基本负荷额定值 疲劳负荷限值 额定速度 体积 型号
动态 静态 参照速度 限制速度
d D B C C0 Pu * - SKF Explorer 轴承
mm kN kN r/min kg -
952006767076573,52600340010,522319 E *

SKF22319E*球面滚子轴承供应商

八零动力专业销售22319E*球面滚子轴承,库存SKF22319E*大量现货,与SKF合作,咨询热线:022-58519723业务咨询
SKF22319E*它的精密性,让它在高精度设备中无可替代 它的品质卓越,为机械设备的高效、稳定运行保驾护航以精湛工艺它的材质选择,体现了对耐用性的极致追求 每一次旋转,都是品质的见证,它的抗冲击能力,让它经久不衰 ,八零动力SKF球面滚子轴承品种全,价格优,质量有保证!

用户关注最多的SKF轴承型号

SKF1985/1922/Q SKF23088CAK/W33+OH3088H* SKF23130CC/W33* SKF305178 SKF54309 SKFBT2B443932 SKFBT4B328551/HA1 SKFC3152K/HA3C4* SKFCR25X47X10HMSA10V SKFCR32X45X8HMSA10RG SKFCR40X58X10HMS5V SKFCR45x72x8CRW1V SKFK25x31x17 SKFMB33 SKFOKBS134

22319E*球面滚子轴承近似的SKF轴承型号

SKF22319EK+H2319* SKF22319E* SKF22319EK* SKF22319EJA/VA405* SKF22319EKJA/VA405* SKF22319EK+AHX2319* SKF22319CC/W33 SKF22319EJA/VA405

用户关注最多的轴承狗热门型号

SKF  PCMF202321.5B TIMKEN  3784/3729D SKF  CR1500243 TIMKEN  782/774D DKF  7340B 国产  6022-RS/Z2 SNR  32203 NACHI  54317U INA  LR608-2RSR KOYO  30306 RHP  7303B/DF SKF  1217 NSK  16040 SKF  5207A-2RS1* SKF  NJ2210ECML*

版权所有©2009-2015 轴承狗zcgou.com ICP备案:津ICP备14004550号-13