SKF22319EK+AHX2319*轴承详细参数

发布时间:2026-04-14
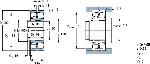
球面滚子轴承, 带退卸套的
主要数据尺寸 基本负荷额定值 疲劳负荷限值 额定速度 体积 型号
动态 静态 参照速度 限制速度 轴承 +退卸套
d1 D B C C0 Pu
* - SKF Explorer 轴承
mm kN kN r/min kg -
902006767076573,52600340011,022319 EK + AHX 2319 *

SKF22319EK+AHX2319*球面滚子轴承供应商

八零动力专业销售22319EK+AHX2319*球面滚子轴承,库存SKF22319EK+AHX2319*大量现货,与SKF合作,咨询热线:022-58519723业务咨询
SKF22319EK+AHX2319*优秀的设计和卓越的性能,让这款轴承备受青睐高品质的轴承,在复杂工况下也能展现出卓越的性能质量上乘的轴承,为设备的高效稳定运行奠定了基础它的径向跳动控制,达到了行业顶尖水平 铸就卓越品质,没有轴承,现代机械将寸步难行,,八零动力SKF球面滚子轴承品种全,价格优,质量有保证!

用户关注最多的SKF轴承型号

SKF30313 SKF36990/36920 SKF7016ACD/P4A SKF7017C/DT SKF71904C/DT SKFBK0810 SKFCR403603 SKFGEZM304ES SKFNJ215ECP* SKFNKI55/25 SKFNNU40/1000M/W33 SKFNU308ECM* SKFNUP2224ECML* SKFPCM283225E SKFSNW111x2

22319EK+AHX2319*球面滚子轴承近似的SKF轴承型号

SKF22319E* SKF22319EKJA/VA405* SKF22319EK+H2319* SKF22319EK* SKF22319EJA/VA405* SKF22319EK+AHX2319* SKF22319EKJA/VA405* SKF22319EK+H2319*

用户关注最多的轴承狗热门型号

LYC  23180/YA TORRINGTON  23126CCK/33+H3126 STEYR  NU219 KOYO  63/22 KOYO  28FC21116 TIMKEN  685/672D+X3S-685 NACHI  53252U 国产  6011-2RS/Z3 SKF  NJ208E+HJ208E NSK  RNA4917 INA  TSSW50 TIMKEN  368A/363DC+X3S-368 FYH  UKFU324+H2324 SKF  NJ203ECP Stieber  ASNU8

版权所有©2009-2015 轴承狗zcgou.com ICP备案:津ICP备14004550号-13