SKF22314EK+AHX2314G*轴承详细参数

发布时间:2026-05-30
球面滚子轴承, 带退卸套的
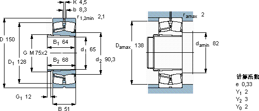
主要数据尺寸 基本负荷额定值 疲劳负荷限值 额定速度 体积 型号
动态 静态 参照速度 限制速度 轴承 +退卸套
d1 D B C C0 Pu
* - SKF Explorer 轴承
mm kN kN r/min kg -
651505140043045340045004,9022314 EK + AHX 2314 G *

SKF22314EK+AHX2314G*球面滚子轴承供应商

八零动力专业销售22314EK+AHX2314G*球面滚子轴承,库存SKF22314EK+AHX2314G*大量现货,与SKF合作,咨询热线:022-58519723业务咨询
SKF22314EK+AHX2314G*设计合理、性能优良的它,是机械设备实现高效运行的重要保障这轴承的精度控制令人佩服,为设备的精准运行提供了保障轴承的稳定性和可靠性表现出色,赢得了用户的高度认可先进的制造工艺,让这款轴承的性能更加稳定可靠打造出了性能卓越的这款轴承,该轴承的精度控制达到了极致它的故障率极低,确保了设备的稳定运行 ,八零动力SKF球面滚子轴承品种全,价格优,质量有保证!

用户关注最多的SKF轴承型号

SKF23972CC/W33* SKF319303 SKF5214A-2Z SKF607-2RSLTN9/HC5C3WTF1 SKF61912-2RZ SKF61922 SKFCR18X30X6HMS5RG SKFCR24263 SKFCR29841 SKFCR32424 SKFCR350x400x17HDS1R SKFCR528535 SKFFSYE2.3/4NH SKFNUKRE40A SKFNUP322ECJ*

22314EK+AHX2314G*球面滚子轴承近似的SKF轴承型号

SKF22314E/VA405* SKF22314EK* SKF22314EK+H2314* SKF22314EK/VA405* SKF22314EK+AHX2314G* SKF22314E* SKF22314EK* SKF22314EK+H2314*

用户关注最多的轴承狗热门型号

SKF  NNCF4868CV LYC  23222 CA/W33 INA  GWA10 TIMKEN  7410WN 国产  UELP204 SKF  YAT203-010 MAC  NU222 国产  160018 TIMKEN  22248YMB TIMKEN  30310/30310 FAG  NJ202-E-TVP2 NSK  7924CDB TIMKEN  1010KL IKO  TLA2212Z IKO  TAF688225

版权所有©2009-2015 轴承狗zcgou.com ICP备案:津ICP备14004550号-13